EasyManua.ls Logo

Master Pumps MPXI11MULTI4PC17 - Page 30

Master Pumps MPXI11MULTI4PC17
Print Icon
To Next Page IconTo Next Page
To Next Page IconTo Next Page
To Previous Page IconTo Previous Page
To Previous Page IconTo Previous Page
Loading...
8. ELEKTRISCHE AANSLUITING
Zorg dat er geen spanning zit op de leidingdraadcontactpunten vooraleer de
aansluiting uit te voeren.
De elektrische pomp moet op betrouwbare wijze worden geaard om elektrische
lekken te voorkomen en een aardlekschakelaar moet worden voorzien.
De elektrische aansluiting moet worden uitgevoerd volgens de plaatselijke reglementen. Controleer of
de pomp werkt binnen het gespecificeerde bereik van het identificatieplaatje. Sluit de pomp aan (zorg
dat er een doeltreffende aardingskring is voorzien) volgens het diagram op het identificatieplaatje van
de motor. De correcte rotatierichting van de driefase motor is rechtsom, als we de pomp van de kant
van de motorventilator bekijken. Als dit niet het geval is, dan twee van de drie fasen omkeren.
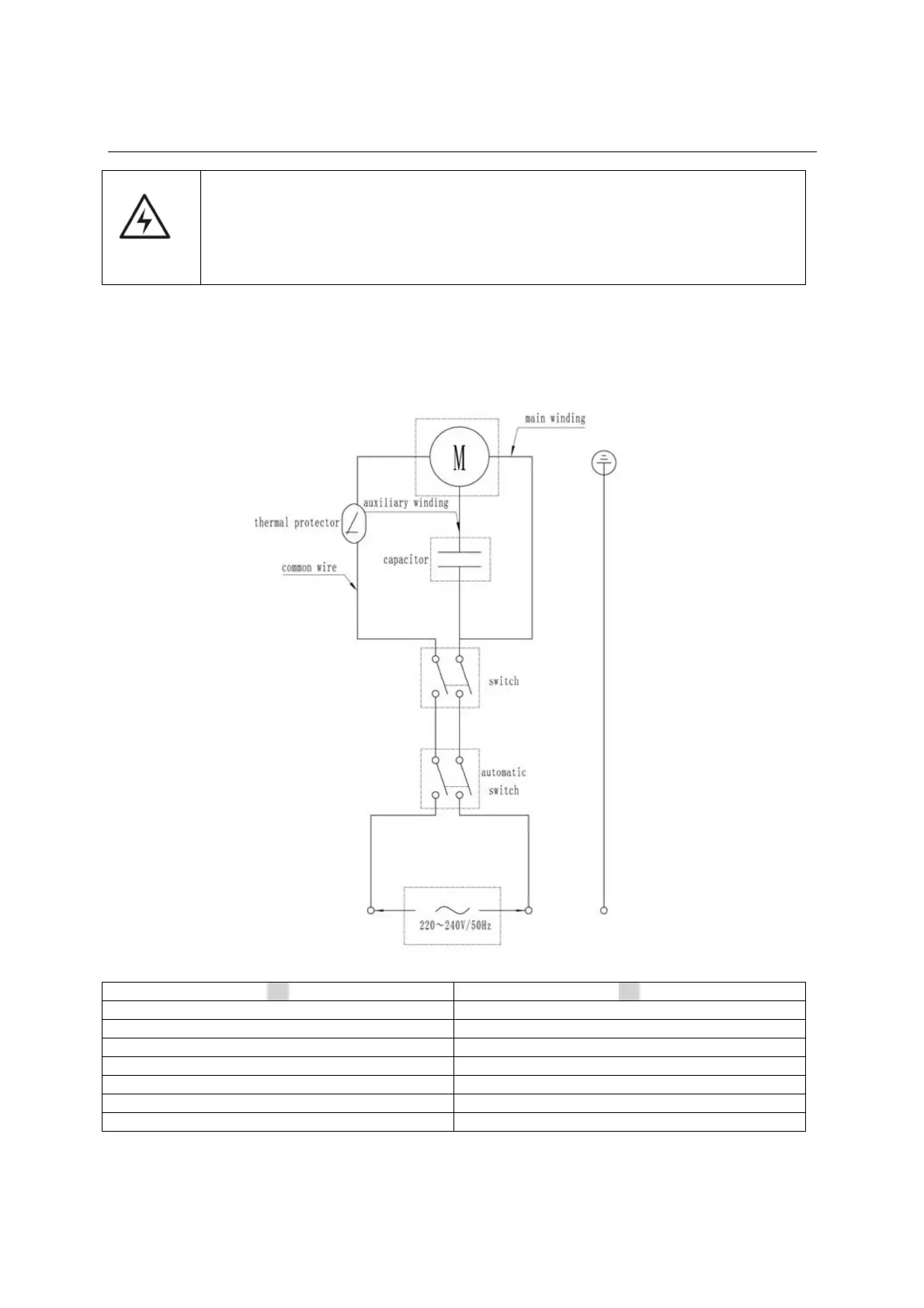
EN
NL
main winding hoofdspiraal
auxiliary winding hulpspiraal
thermal protector thermische veiligheid
capacitor condensator
common wire gewone draad
switch schakelaar
automatic switch automatische schakelaar

Related product manuals