EasyManua.ls Logo

Mastervolt AC Master 24/2500 - Page 81

Mastervolt AC Master 24/2500
108 pages
Print Icon
To Next Page IconTo Next Page
To Next Page IconTo Next Page
To Previous Page IconTo Previous Page
To Previous Page IconTo Previous Page
Loading...
ITALIANO
81
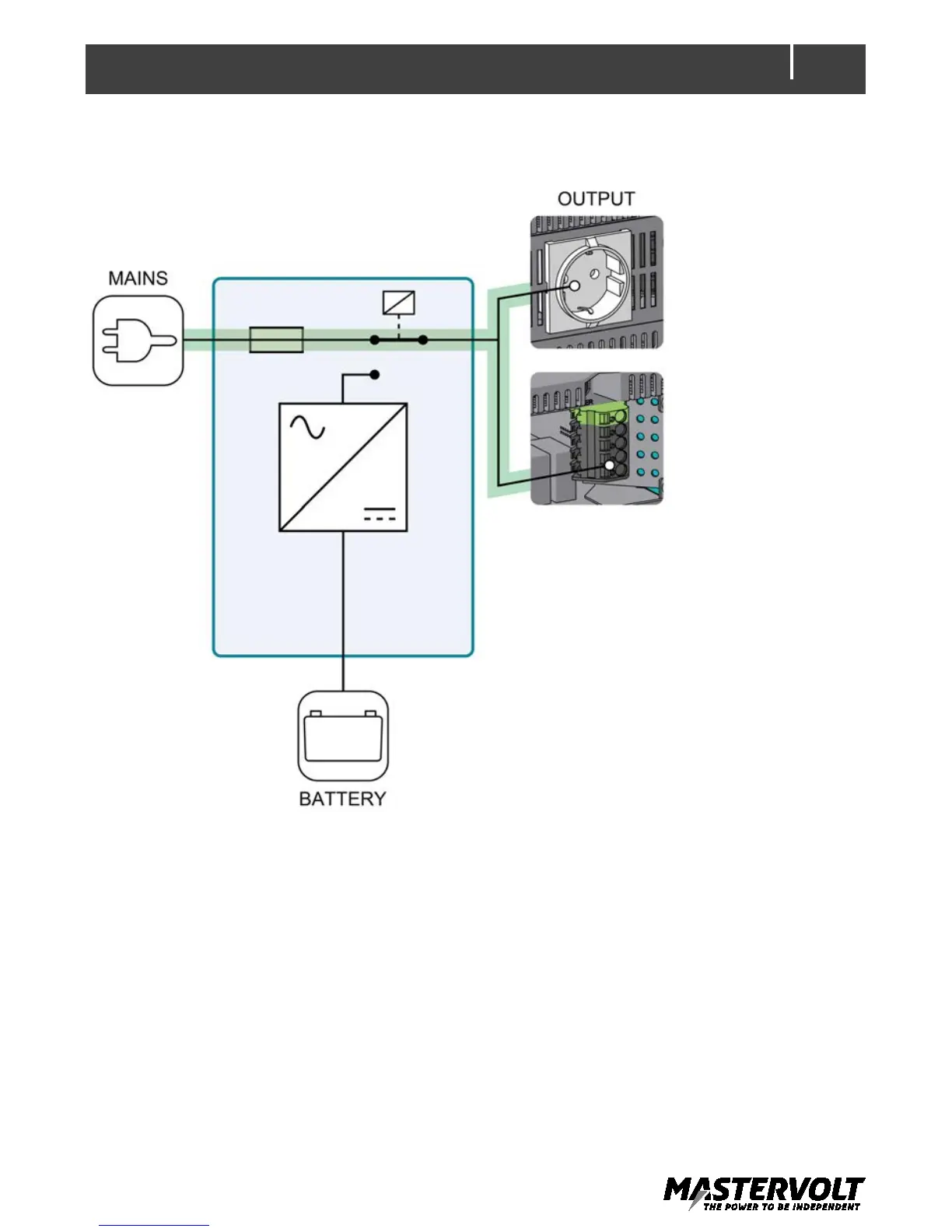
Modalità bypass

Related product manuals