EasyManua.ls Logo

Mastervolt CHARGEMASTER PLUS 24/110-2 - Connection Example

Mastervolt CHARGEMASTER PLUS 24/110-2
32 pages
Print Icon
To Next Page IconTo Next Page
To Next Page IconTo Next Page
To Previous Page IconTo Previous Page
To Previous Page IconTo Previous Page
Loading...
ChargeMaster Plus 24/80-2, 24/110-2 User and Installation Manual
11
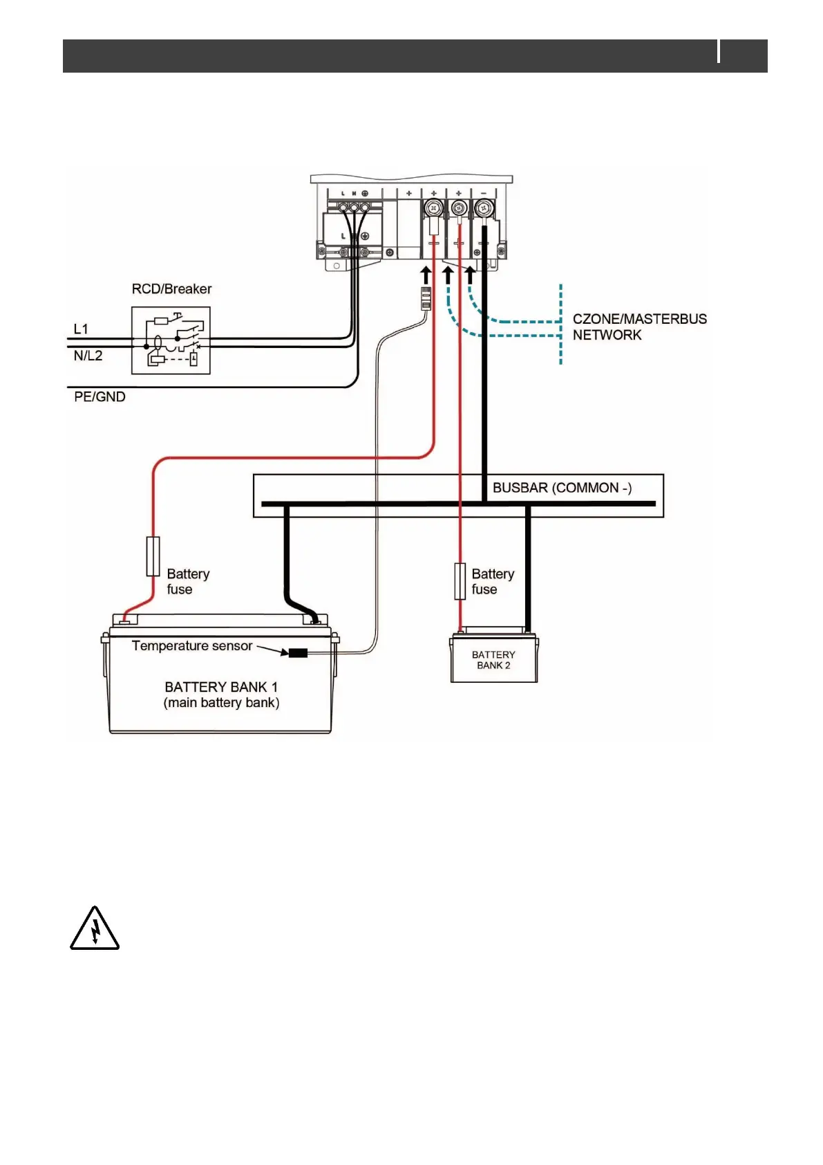
3.7 Connection example
This schematic illustrates the general placement of the ChargeMaster Plus in a circuit. It is not meant to
provide detailed wiring instructions for any particular electrical installation.
Figure 3: Installation drawing of the ChargeMaster Plus
Notes:
- If the battery temperature remains within 15-25°C, connection of the battery temperature sensor is
optional.
- Lithium-ion batteries require no temperature sensor.
- If creating a parallel system of multiple ChargeMaster Plus units, the units should be excluded from any
isolation measurement system.
WARNING!
All electrical systems (AC and
DC) must be disconnected from
any power source during the
entire installation!

Related product manuals