EasyManua.ls Logo

Mastervolt MASS COMBI ULTRA 12/3000-150

Mastervolt MASS COMBI ULTRA 12/3000-150
32 pages
To Next Page IconTo Next Page
To Next Page IconTo Next Page
To Previous Page IconTo Previous Page
To Previous Page IconTo Previous Page
Loading...
Mass Combi Ultra 12/3000-150, 24/3500-100, 48/3500-50 – User and Installation Manual
19
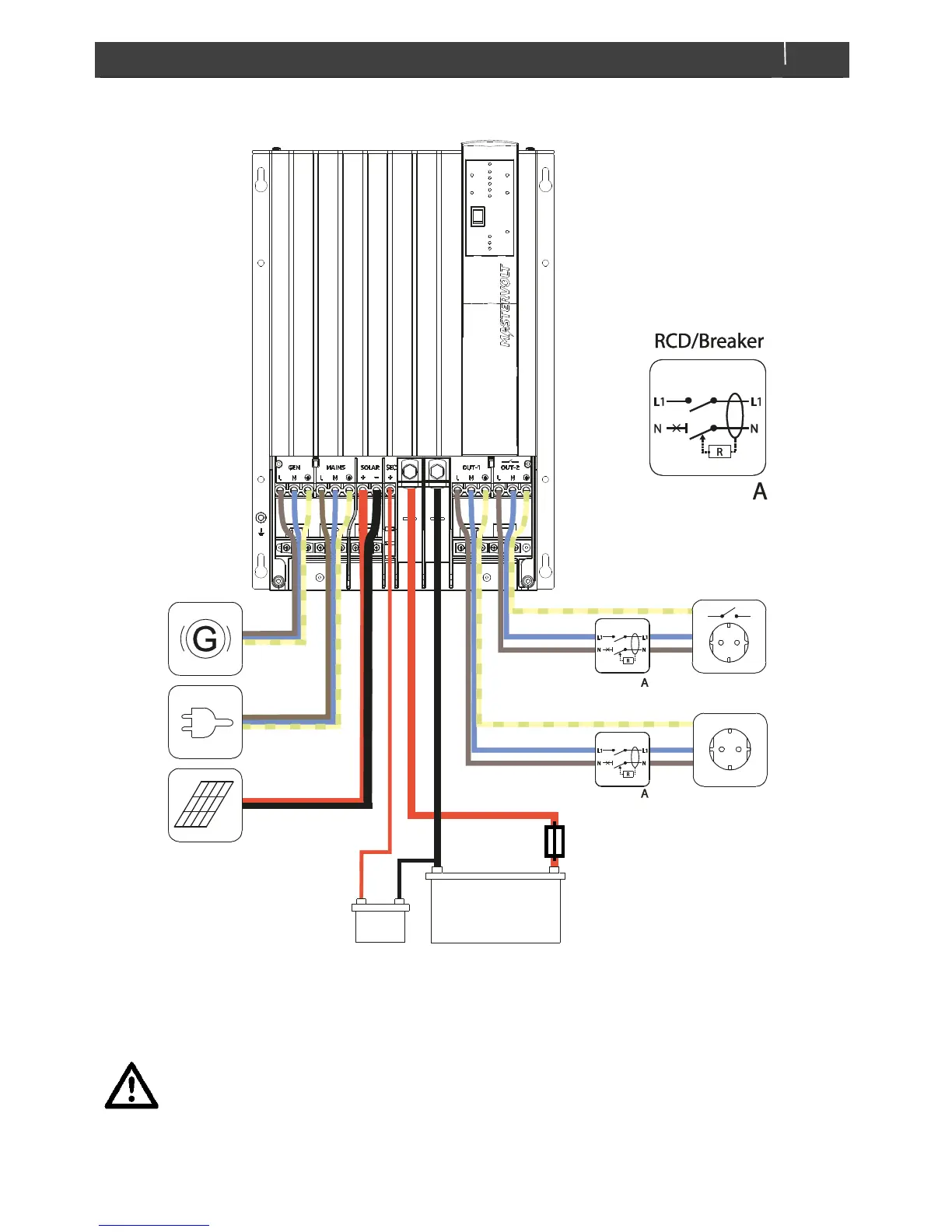
5.8 Installation overview
Figure 5-4: Installation overview for one Mass Combi (stand-alone operation)
CAUTION!
Ensure correct polarities, cross sections and fuses for all wiring. An RCD according to local regulations must be
connected to output-1 and 2.
* Models 12/3000-150 and 24/3500-100 only
*

Related product manuals