EasyManua.ls Logo

Mastervolt WHISPER 15 ULTRA

Mastervolt WHISPER 15 ULTRA
48 pages
To Next Page IconTo Next Page
To Next Page IconTo Next Page
To Previous Page IconTo Previous Page
To Previous Page IconTo Previous Page
Loading...
DIAGRAMS & DRAWINGS
US / Whisper 7/9.5/15/20 Ultra for mobile applications / May 2009 / Copyright © 2009 Mastervolt 39
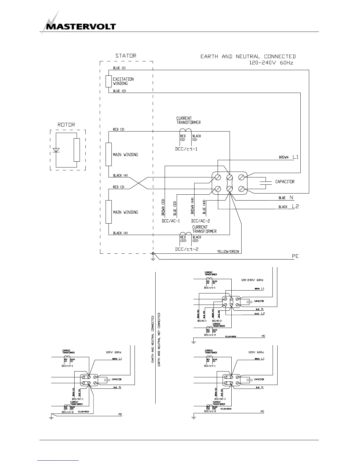
4.7 AC WIRING DIAGRAM 120-240V / 60HZ
Fig. 43: AC wiring diagram

Other manuals for Mastervolt WHISPER 15 ULTRA

Related product manuals