EasyManua.ls Logo

MAX power MPOP5720/US - Electrical Wiring Connection for Compact Retract; Compact Retract Thruster Wiring; Power Supply Warning

Default Icon
18 pages
Print Icon
To Next Page IconTo Next Page
To Next Page IconTo Next Page
To Previous Page IconTo Previous Page
To Previous Page IconTo Previous Page
Loading...
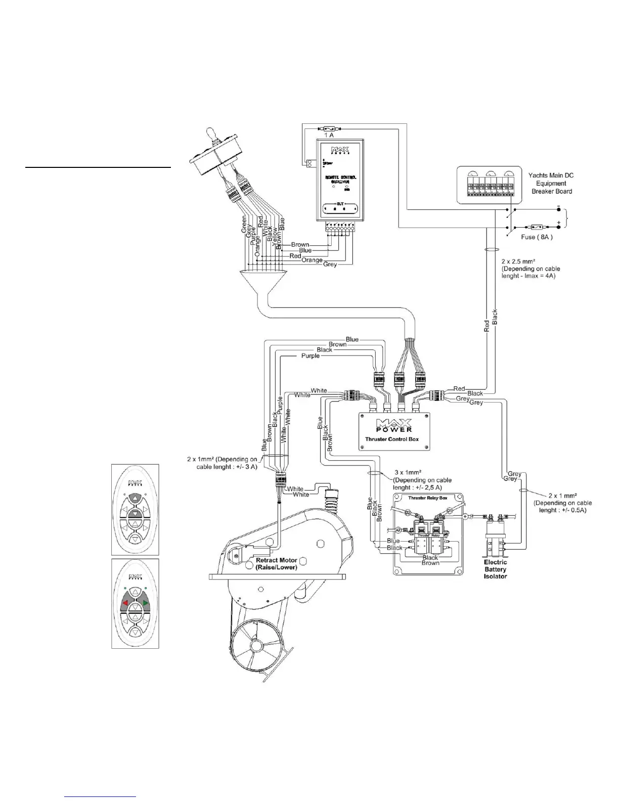
ELECTRICAL WIRING CONNECTION
Examples given for:
Max Power Thruster Compact Retract
For other makes and models of equipment
please refer to the manufacturer’s wiring diagram
CONTROL BOX AND REMOTE
CONTROL RECEIVER SUPPLY:
To be connected to seperate
battery bank (advised)
WARNING
It is important to use only 12v Power Supply for
the Thruster Control System.
(Control Box and Electric Battery Isolator)
RESET RECEIVERS
14