EasyManua.ls Logo

Max NF255FA/18 - NF565 A;16, NF565 A;16(CE) Exploded View; NF565 A;16 Exploded View and Parts Diagram

Max NF255FA/18
40 pages
Print Icon
To Next Page IconTo Next Page
To Next Page IconTo Next Page
To Previous Page IconTo Previous Page
To Previous Page IconTo Previous Page
Loading...
25
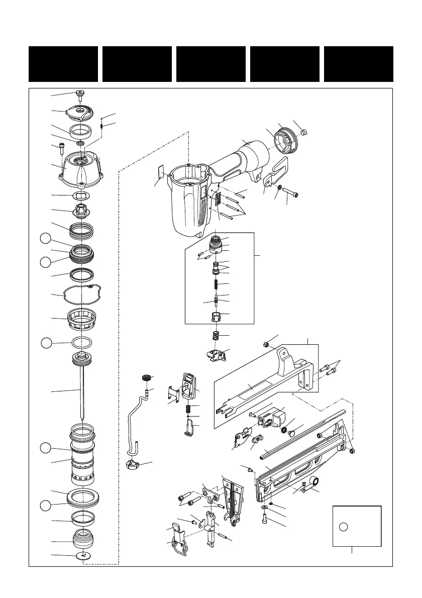
NF565A/16, NF565A/16(CE)
EXPLODED
VIEW AND SPARE
PARTS LIST
SCHEMA ECLATE ET
LISTE DES PIECES
DE RECHANGE
DESPIECE DE LA
MAQUINA Y LISTA
DE RECAMBIOS
EINZELTEILDAR-
STELLUNG UND
ERSATZTEILLISTE
ESPLOSO DEI
COMPONENTI ED
ELENCO DELLE
PARTI DI RICAMBIO
O-RING KIT
Parts marked
inincluded
are
the O-ring kit
101
1
2
3
4
5
6
7
8
9
10
11
12
13
14
15
16
17
18
19
20
21
22
25
26
27
28
29
30
31
32
33
34
35
84
36
37
38
39
40
41
42
43
44
45
46
47
47
48
85
86
49
50
51
52
53
54
55
56
57
58
59
60
61
62
63
64
65
66
67
68
69
70
71
72
73
74
74
75
76
77
78
79
80
81
82
83
23
24
102

Related product manuals