EasyManua.ls Logo

Maxum 1900SR - Wiring Diagrams (1750 SR & 1800 SR)

Maxum 1900SR
60 pages
Print Icon
To Next Page IconTo Next Page
To Next Page IconTo Next Page
To Previous Page IconTo Previous Page
To Previous Page IconTo Previous Page
Loading...
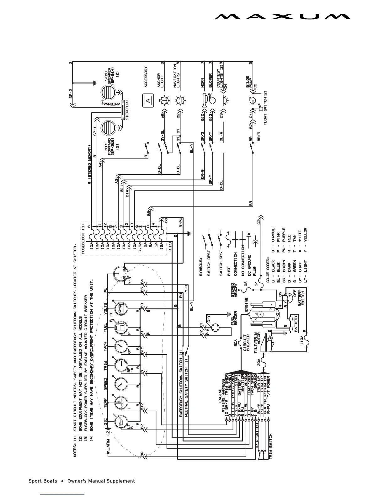
46 CHAPTER 12: ELECTRICAL SYSTEM
Wiring Diagrams
1750SR & 1800SR

Table of Contents

Related product manuals