EasyManua.ls Logo

Mazda RX-8 2009 - Illumination Operation

Mazda RX-8 2009
299 pages
Print Icon
To Next Page IconTo Next Page
To Next Page IconTo Next Page
To Previous Page IconTo Previous Page
To Previous Page IconTo Previous Page
Loading...
LIGHTING SYSTEMS
09-18–19
09-18
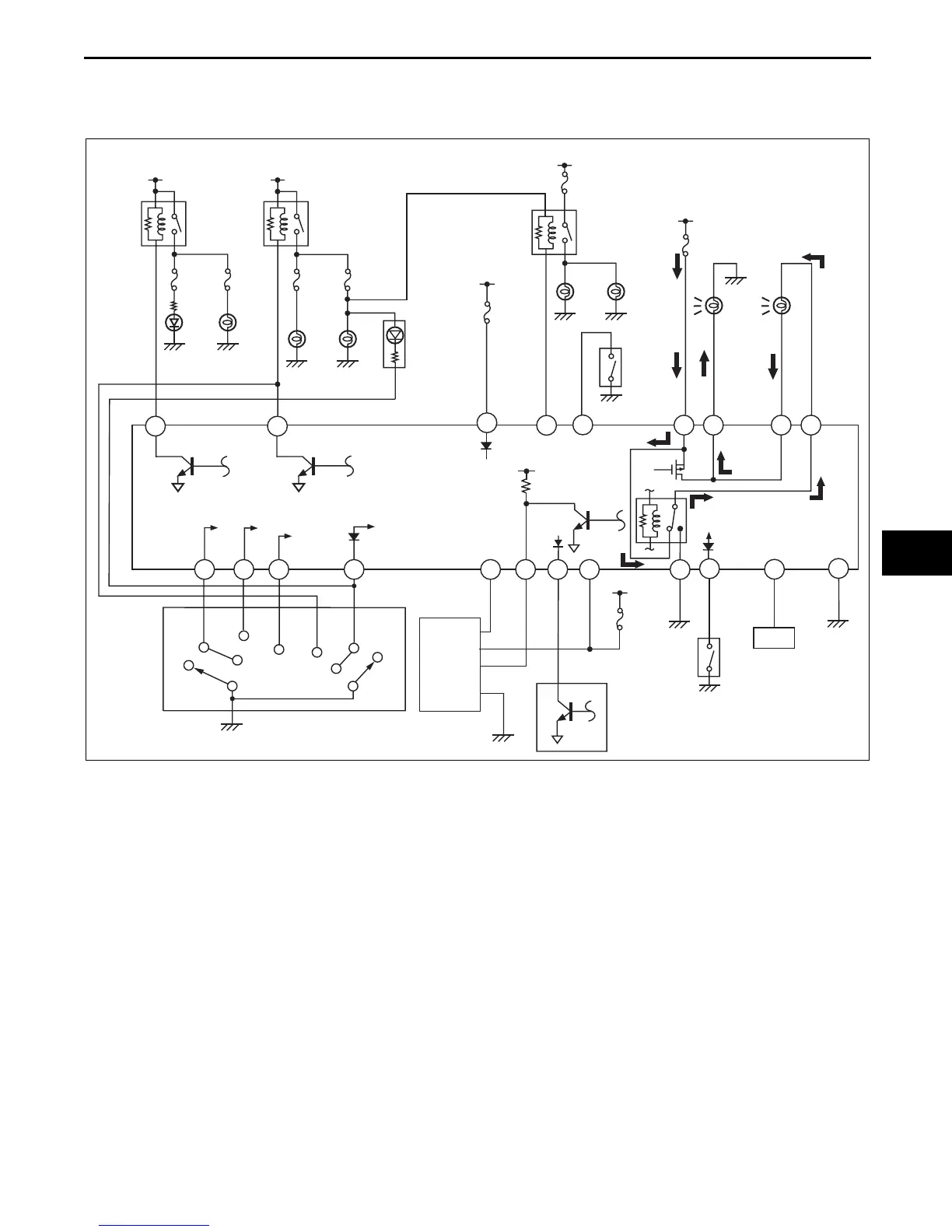
Illumination Operation
1. When the DRL operation conditions are met, the current flows and the DRL relay turns on.
2. When the DRL relay turns on, the current flows to the headlight high beam (LH) and then to the headlight high
beam (RH) to turn on the headlight high beams at 50 % dim.
End Of Sie
NG: FRONT SIDE TURN L IGHT
1L2L2N2M
2K2G
B+ B+
TNS
RELAY
HEADLIGHT
RELAY
HEAD LIGHT
(LOW-BEAM)
AUTO LIGHT/WIPER
CONTROL MODULE
HIGH-BEAM
INDICATOR
LIGHT
ILLUMI
TAIL
LIGHT SWITCH
HI
PASS
HEAD
AUTO
OFF
TNS
LO
2O
2E 2H 2A 2C
AUTO
LIGHT
SENSOR
1G
1K1B1A1I
2P
HEAD
LIGHT
RH
(HIGH
BEAM)
HEAD LIGHT LH
(HIGH BEAM)
PARKING
BRAKE
SWITCH
B+
DSC HU/CM
OR
ABS HU/CM
2F
DLC-2
2D
B+
R
OOM
METER
IG1
TNS
2I
2J
FRONT FOG
LIGHT
RELAY
FRONT
FOG
LIGHT
FRONT
FOG
LIGHT
SWITCH
B+
ar8uun00000290

Table of Contents