EasyManua.ls Logo

McIntosh C32 - Page 16

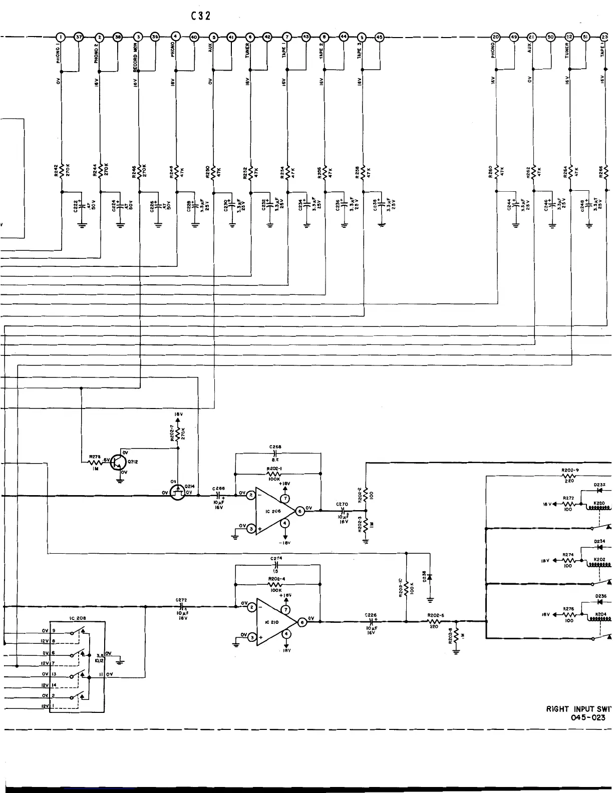
McIntosh C32
47 pages
To Next Page IconTo Next Page
To Next Page IconTo Next Page
To Previous Page IconTo Previous Page
To Previous Page IconTo Previous Page
Loading...

Other manuals for McIntosh C32

Related product manuals