EasyManua.ls Logo

McIntosh C50

McIntosh C50
58 pages
To Next Page IconTo Next Page
To Next Page IconTo Next Page
To Previous Page IconTo Previous Page
To Previous Page IconTo Previous Page
Loading...
7 8
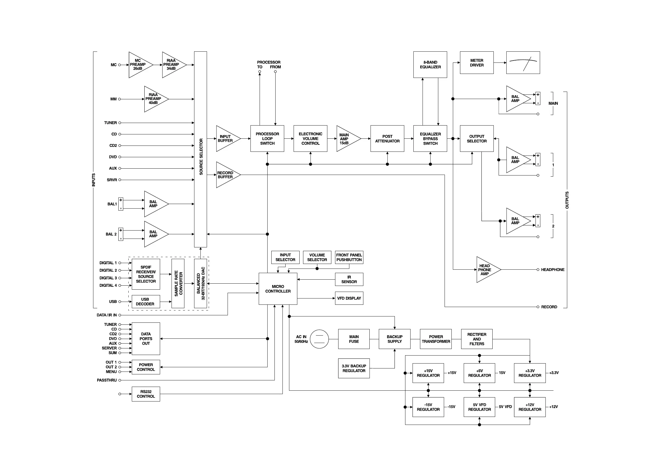
BLOCK DIAGRAM

Other manuals for McIntosh C50

Related product manuals