EasyManua.ls Logo

McIntosh MA6300

McIntosh MA6300
28 pages
To Next Page IconTo Next Page
To Next Page IconTo Next Page
To Previous Page IconTo Previous Page
To Previous Page IconTo Previous Page
Loading...
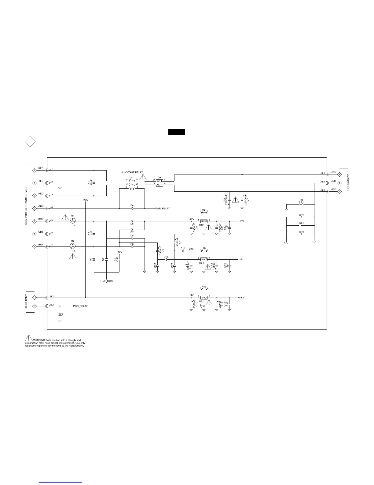
INTEGRATED AMPLIFIER
MA6300
9
10
2
MAIN 050276 SCH 1 OF 3

Other manuals for McIntosh MA6300

Related product manuals