EasyManua.ls Logo

McIntosh MC462

McIntosh MC462
38 pages
To Next Page IconTo Next Page
To Next Page IconTo Next Page
To Previous Page IconTo Previous Page
To Previous Page IconTo Previous Page
Loading...
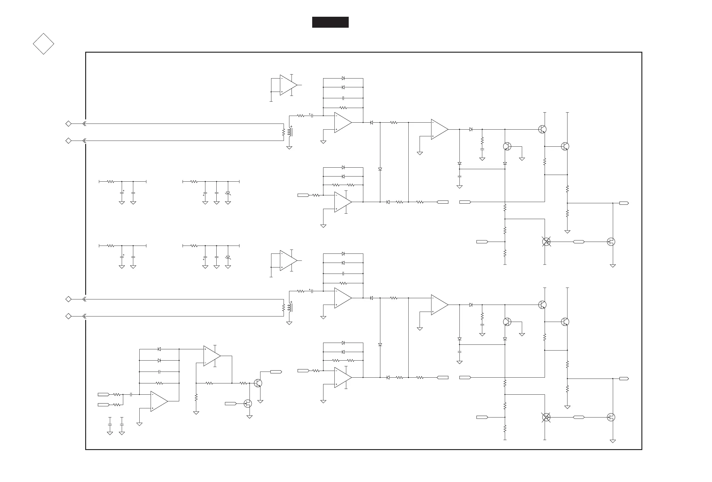
MC462
9 10
MAIN 752270 SCH 1of 3
2
D 27
VOLTAGE LOG AMP
METER D R IVER
+14VML+14VML
6
5
7
U24:2
D 23
D25
D11
D12
D21
2
3
1
84
B+
B-
U26:1
+14VML+15V -5VML-15V
D9
D10
D17
+14VML
-5VML
D19
MUTE
6
5
7
U26:2
L HOLD
-5VML
L CAL 2L CAL 1
-5VML
+1 5V
-1 5V
D5
D6
3.32k
R 48
3.32k
R50
2
3
1
8 4
B+
B-
U23:1
6.81k
R49
AUD IO DET ECTOR
100pF
C21
6
5
7
U23:2
AUD DET
10
R53
33.2k
R57
18.2k
R61
22.1k
R63
100
R 67
3
1
2
Q 16
3
1
2
Q 20
12
3
G
D
S
Q 22
475k
R 70
475k
R 69
1M
R45
1k
R46
5.1V
D7
100k
R55
100k
R59
12
3
G
D
S
Q 18
.2 2µF
C 30
1µF
C 32
1000µF
C26
1000pF
C28
J9 :1
J9 :2
H S OUT L
AUT OF L
12
T1
0.1 1W
R 51
3
1
2
Q 13
3
1
2
Q 14
.1µF
C 19
.1µF
C 24
2
3
1
84
B+
B-
U24:1
+14VML
-5VML
-5VML
.1µF
C 14
.1µF
C 18
-1 5V+1 5V
1k
R41
C U R R EN T LOG AM P
L MET V
221k
R 75
3.32k
R 77
1.5 k
R 78
D 28
VOLT AGE LOG AM P
METER DR IVER
+14VMR+14VMR
6
5
7
U25:2
D 24
D26
D15
D16
D22
2
3
1
84
B+
B-
U27:1
D13
D14
D18
+14VMR
-5VMR
D20
MUTE
6
5
7
U27:2
R HOLD
-5VMR
R CAL 2R CAL 1
-5VMR
10
R54
33.2k
R58
18.2k
R62
22.1k
R64
100
R 68
3
1
2
Q 17
3
1
2
Q 21
12
3
G
D
S
Q 23
475k
R 73
475k
R 72
100k
R56
100k
R60
12
3
G
D
S
Q 19
.2 2µF
C 31
1µF
C 33
1000µF
C27
1000pF
C29
J1 0:1
J1 0:2
H S OU T R
AU T OF R
1
2
T2
0.1 1W
R 52
3
1
2
Q 15
2
3
1
8
4
B+
B-
U25:1
+14VMR
-5VMR
-5VMR
C U R R EN T LOG AM P
R MET V
3.32k
R 79
1.5 k
R 80
L MET V
R MET V
L MET
R MET
12.1k
R 71
+14VMR+15V -5VMR-15V
1k
R47
5.1V
D8
.1µF
C 20
.1µF
C 25
1k
R42
12.1k
R 74
221k
R 76
220µF
C 16
220µF
C 23
220µF
C 15
220µF
C 22
150k
R65
150k
R66
MUTE
12
3
G
D
S
Q 26
68.1k
R43
68.1k
R44
.01µF
C17
33.2k
R97
33.2k
R96

Other manuals for McIntosh MC462

Related product manuals