EasyManua.ls Logo

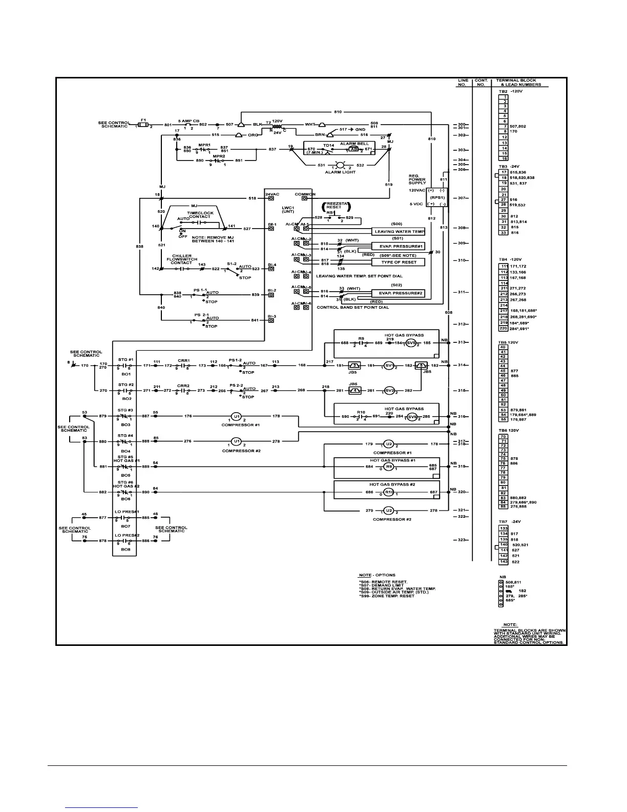
McQuay AGR 100AS - Figure 14, Staging Schematic (2 compressor 4-stage UNT)

McQuay AGR 100AS
100 pages
To Next Page IconTo Next Page
To Next Page IconTo Next Page
To Previous Page IconTo Previous Page
To Previous Page IconTo Previous Page
Loading...
26 AGR 070A through 100A IOMM AGR-1
Figure 15, Staging Schematic (2 compressor 6-stage UNT)

Other manuals for McQuay AGR 100AS

Related product manuals