EasyManua.ls Logo

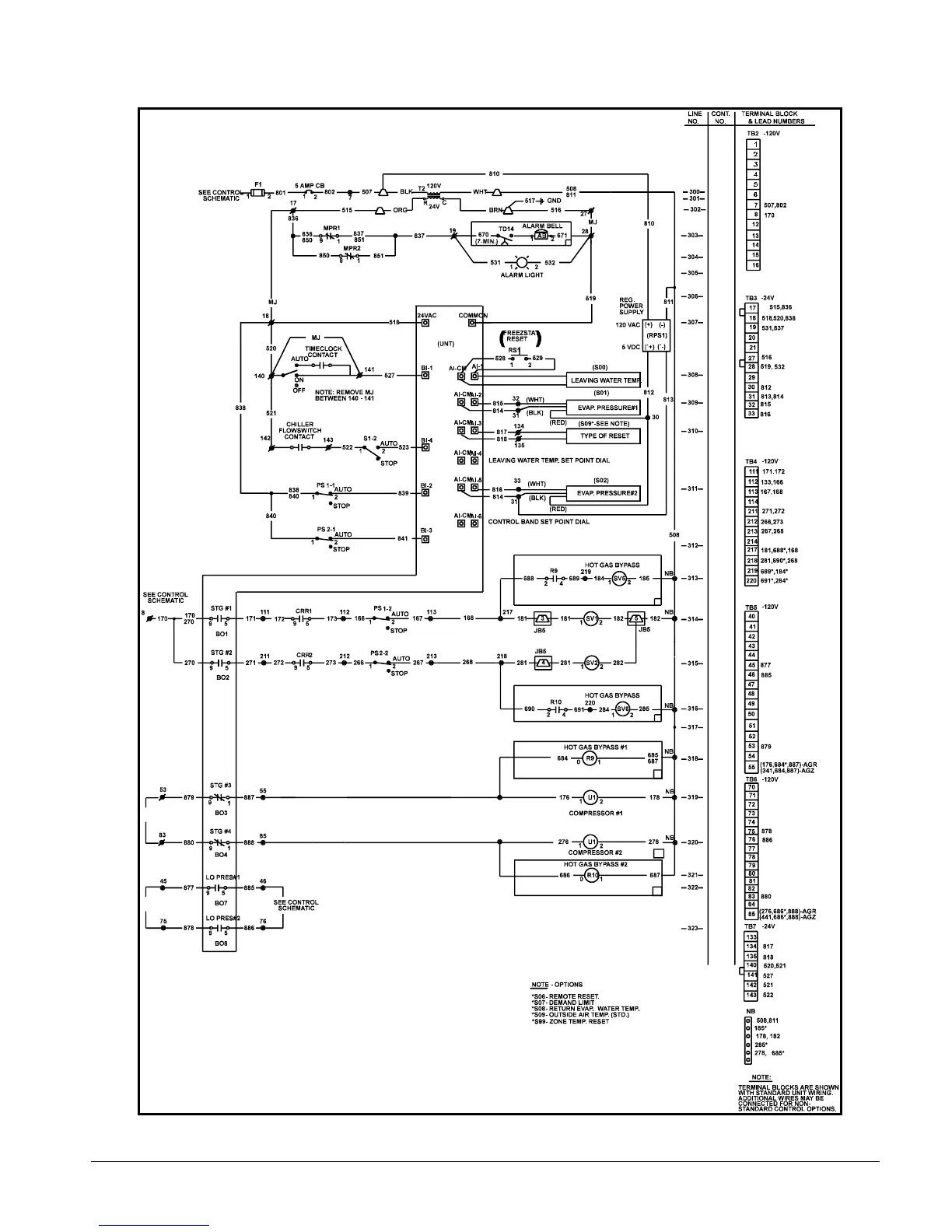
McQuay AGR 100AS - Control Schematics; Figure 13, Unit Control Schematic (2 compressor UNT)

McQuay AGR 100AS
100 pages
Print Icon
To Next Page IconTo Next Page
To Next Page IconTo Next Page
To Previous Page IconTo Previous Page
To Previous Page IconTo Previous Page
Loading...
IOMM AGR-1 AGR 070A through 100A 25
Figure 14, Staging Schematic (2 compressor 4-stage UNT)

Other manuals for McQuay AGR 100AS

Related product manuals