EasyManua.ls Logo

McQuay AGR 100AS - Figure 12, Standard Single-Point Connection with Optional SpeedTrol

McQuay AGR 100AS
100 pages
Print Icon
To Next Page IconTo Next Page
To Next Page IconTo Next Page
To Previous Page IconTo Previous Page
To Previous Page IconTo Previous Page
Loading...
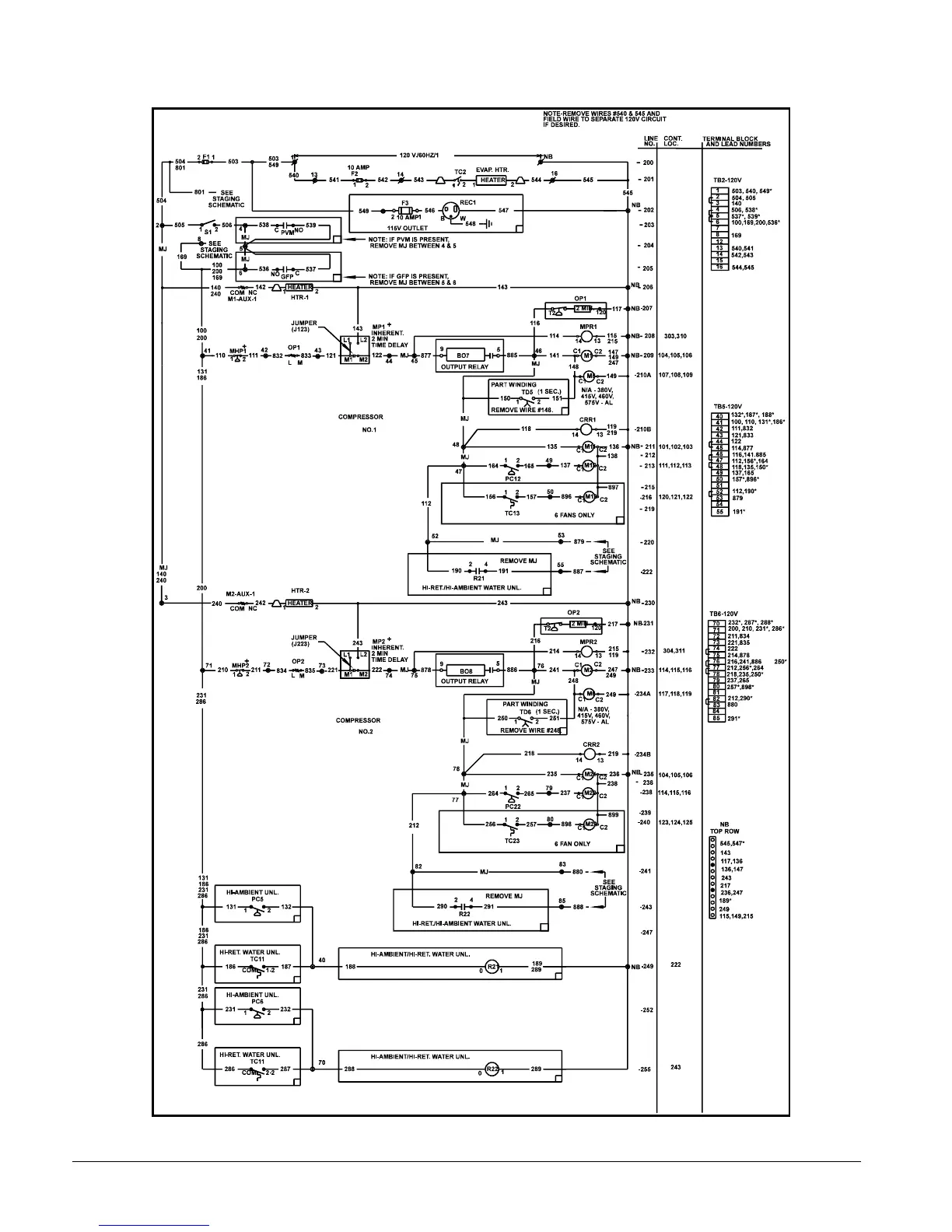
24 AGR 070A through 100A IOMM AGR-1
Figure 13, Unit Control Schematic (2 compressor UNT)

Other manuals for McQuay AGR 100AS

Related product manuals