EasyManua.ls Logo

McQuay AGZ 030A - Page 24

McQuay AGZ 030A
88 pages
Print Icon
To Next Page IconTo Next Page
To Next Page IconTo Next Page
To Previous Page IconTo Previous Page
To Previous Page IconTo Previous Page
Loading...
24 AGZ 030A through 065A IOM 686
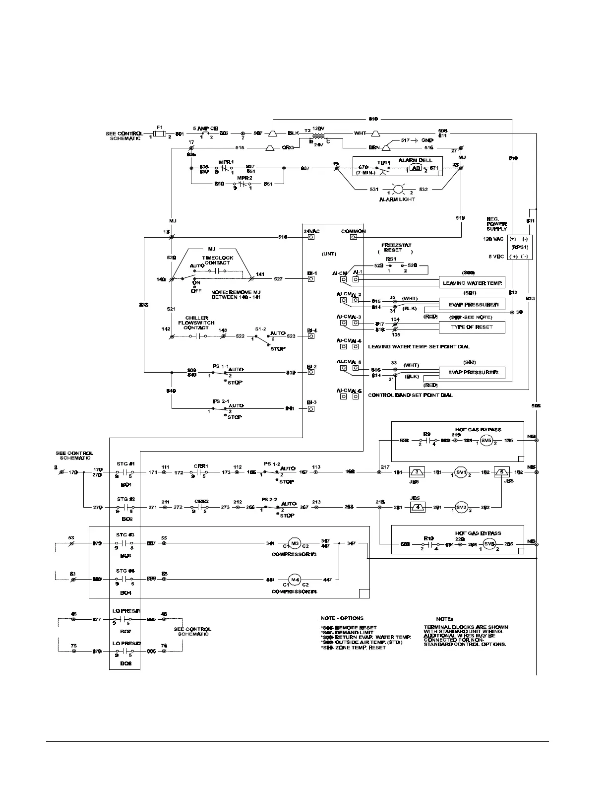
Figure 13, Staging Schematic (UNT)

Table of Contents

Related product manuals