EasyManua.ls Logo

McQuay MDS 100B - Page 145

McQuay MDS 100B
166 pages
Print Icon
To Next Page IconTo Next Page
To Next Page IconTo Next Page
To Previous Page IconTo Previous Page
To Previous Page IconTo Previous Page
Loading...
Service Manual SM-MDS_(ii) 139
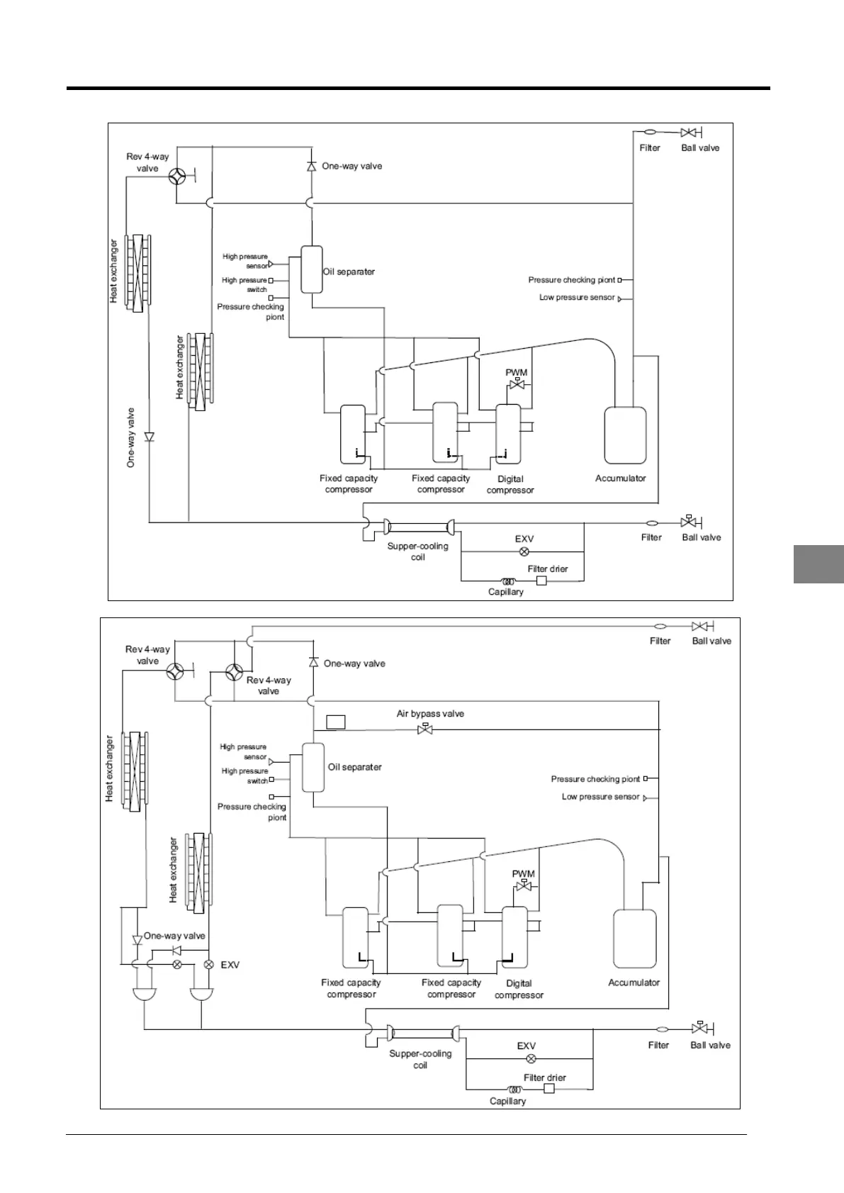
5MDS 140/160/180B
5MDS 140/160/180BR
7

Table of Contents

Related product manuals