EasyManua.ls Logo

McQuay RAH 077C - Page 67

McQuay RAH 077C
122 pages
Print Icon
To Next Page IconTo Next Page
To Next Page IconTo Next Page
To Previous Page IconTo Previous Page
To Previous Page IconTo Previous Page
Loading...
McQuay IM 987 67
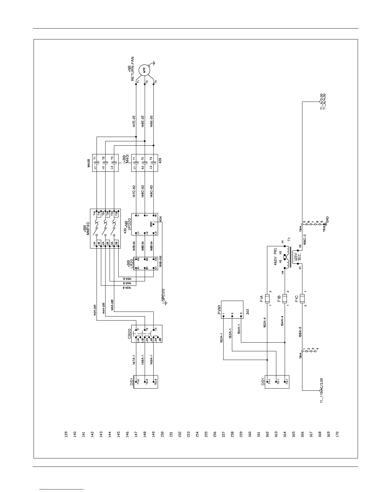
Wiring Diagrams
Figure 75: VAV Fan Power (with SAF and RAF VFDs and Manual Bypass), Continued
(Schematic continues on the previous page.)

Table of Contents

Related product manuals