EasyManua.ls Logo

Mec Micro 19-XD - Pre-Start Inspection Checklist

Mec Micro 19-XD
88 pages
Print Icon
To Next Page IconTo Next Page
To Next Page IconTo Next Page
To Previous Page IconTo Previous Page
To Previous Page IconTo Previous Page
Loading...
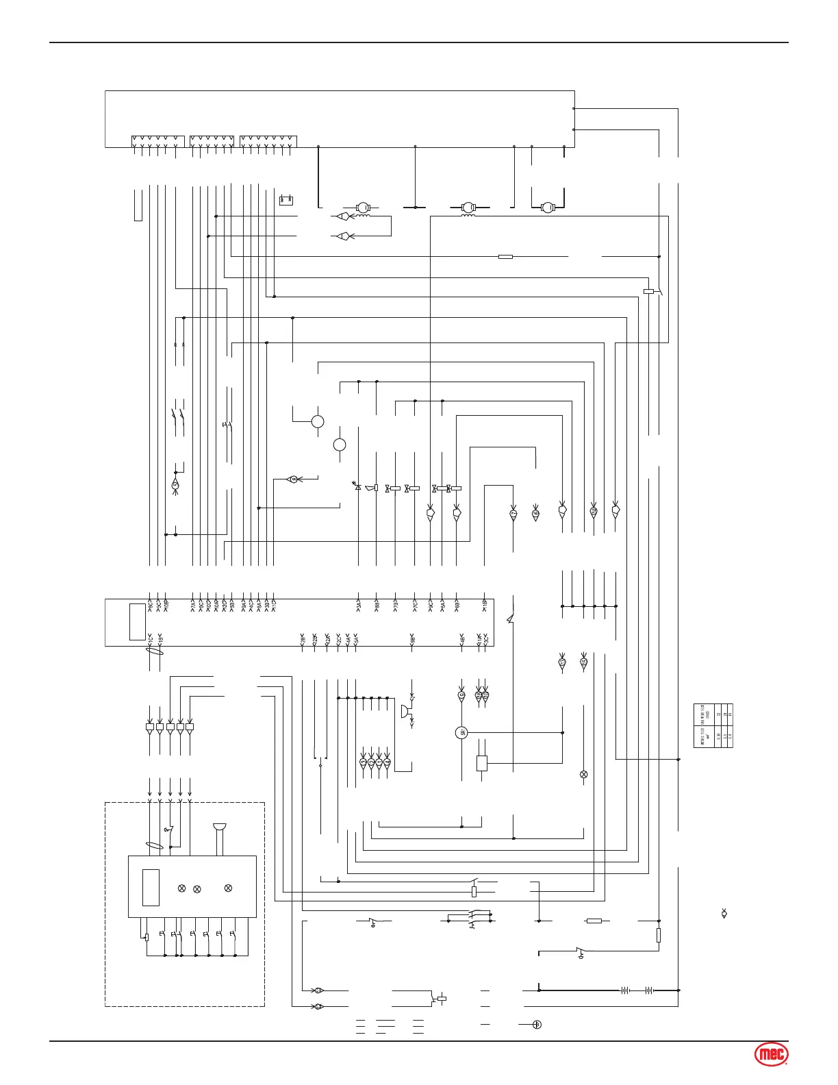
Page 31 Micro 19-XD - Service & Parts Manual
June 2020
Electrical Schematic
L N
+
_
KACH
FU1
150A
MC1
M2
M3
YB1
YB2
J1
J2
J3
U RD (4) V RD (4)
W1 BK (4)
W2 BK (4)
3
1
5
2
4
SB3
SA4
SB7
SB6
SB5
SB4
3
PCU
SB8
1
5
2
LED
JS1
GN (16)
RD (16)
WH (16)
BU(16)
YE (16)
4
1B YE (20)
GND BK (20)
GB1
GB2
FU2
7A
SB1
TILT
LS1
HL1
B1
HM
H1
14
9C WH (20)
10C WH (20)
10A WH (20)
8A WH (20)
9A WH (20)
4C WH (20)
7A WH (20)
6C WH (20)
JUMP WH (20)
5C WH (20)
8C WH (20)
8B WH (20)
FU3
10A
P-
B+
10
5
3
12
4
8
5
1
6
2
9
4
6
6B WH (20)
11B WH (20)
3C WH (20)
9B WH (20)
12B WH (20)
12A WH (20)
4A RD (20)
5A RD (20)
10A WH (20)
10C WH (20)
GND BK (20)
10A WH (20)
10C WH (20)
GND BK (16)
2C RD (20)
GND BK (16)
GND BK (4)
BF+
B-
2B WH (20)
V
W
U
ECU
M1
BF+1 RD (4)
P- BK (4)
B2
2
1
3
LED
CAN HIGH
CAN LOW
001 RD (4)
1
3B BK (20)
GND BK (14)
GND BK (20)
GND BK (20)
GND BK (20)
10B WH (20)
11C GN/VT (20)
GND BK (20)
010A BU/RD (20)
GND BK (20)
010A RD (16)
010A-12 RD (20)
3C GN (20)
11B BU/RD (20)
010A BU/RD (20)
010A RD (20)
010A BU/RD (20)
11C WH (20)
8A BN/GN (16)
006 WH (20)
Fuse RD (18)
B-A BK (14)
B+ RD (16)
B+Z YE (16)
010A-11 RD (16)
010A-9 BU/RD (18)
010A-8 BU/RD (18)
010A-8 BU/RD (20)
010A-1 BU/RD (20)
010A-1 RD (20)
010B RD (20)
1C GN (20)
B+ RD (4)
010A RD (20)
B+-Z BU/RD (16)
6A WH (20)
GND BK (20)
010A RD (20)
4B WH (20)
3A WH (20)
HL2
GND BK (16)
GND BK (20)
BU (16)
BN (16)
CH-1 RD (10)
CH-2 BK (10)
GN/YE (16)
PB2
KM1
SA1
SOL1
KA1
SA2
SOL2
SQ1
010A RD(20)
10B BU(20)
010A RD(20)
10B BU
(20)
SA3
10B GN (16)
5B BK(16)
GND BK(16)
A12 WH(16)
5B WH (20)
A12 WH (20)
6
SQ3
SQ4
10B WH (20)
5
10
CAN L GN(20)
CAN H YE (20)
2
1
2
010A RD (20)
7B WH (20)
GND BK (20)
SOL3
7C WH (20)
GND BK (20)
SOL4
11A WH (20)
11A WH (20)
5
B+-A RD (20)
B+A RD (16)
B+-Z RD (20)
5C WH (20)
8C WH (20)
JUMP WH (20)
7A WH (20)
6C WH (20)
8A WH (20)
9A WH (20)
4C WH (20)
BF+ RD (4)
B- BK (4)
010A BU/RD (16)
010A RD (18)
010A RD (18)
010A RD (18)
010A RD (18)
010A BU/RD (16)
010A BU/RD (16)
010A BU/RD (16)
GND BK (20)
GND BK (20)
GND BK (20)
GND BK (20)
6
GND BK (20)
GND BK (20)
GND BK (20)
4
12C WH (20)
12C WH (20)
10B GN (16)
=6POSITION AMP CONNECTOR LOC1
6
JOYSTICK
STEER LEFT
STEER RIGHT
JOYSTICK ENABLE
LIFT ENABLE
DRIVE ENABLE
LOW SPEED
HORN
KEY SWITCH INPUT
LIFT UP
LIFT DOWN
BUZZER
POTHOLE LIMIT SWITCH
POTHOLE LIMIT SWITCH
BRAKE RELEASE SWITCH
OVERLOAD INDICATOR
HOURMETER
STEER LEFT VALVE
STEER RIGHT VALVE
LIFT UP VALVE
LIFT DOWN VALVE
HORN
GROUND
DC CONTACTOR
BEACON
LEFT
POWER
RIGHT
BATTERY
RIGHT DRIVE
LEFT DRIVE
PLATFORM CONTROL BOX
BUZZER
HY. PUMP
PLATFORM E-STOP
LIFT UP LIMIT SWITCH
PRESSURE SENSOR
TILT SENSOR
KEY
12VDC
BATTERY
12VDC
DEBUGGING LINE
BRAKE
BRAKE
SWITCH
SWITCH
E-STOP
MOTOR
MOTOR
MOTOR
ROTARY SENSOR
Section 12 - Schematics
Electrical Schematic

Table of Contents

Other manuals for Mec Micro 19-XD

Related product manuals