EasyManua.ls Logo

Mecer Xpression W950AU - Audio Codec ALC269

Mecer Xpression W950AU
100 pages
Print Icon
To Next Page IconTo Next Page
To Next Page IconTo Next Page
To Previous Page IconTo Previous Page
To Previous Page IconTo Previous Page
Loading...
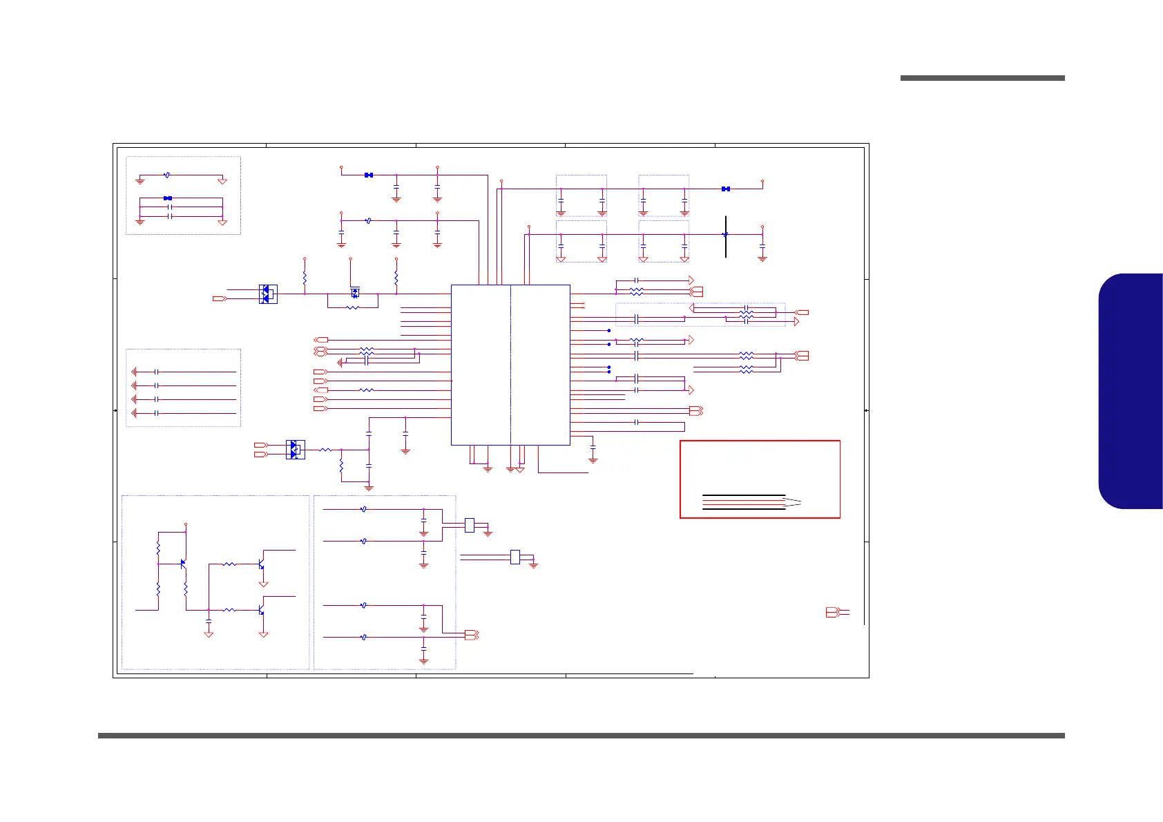
Schematic Diagrams
Audio Codec ALC269 B - 23
B.Schematic Diagrams
Audio Codec ALC269
Sheet 22 of 38
Audio Codec
ALC269
5
5
4
4
3
3
2
2
1
1
D D
C C
B B
A A
DIGITALANALOG
Thermal Pad place 9 Via hole.
Very close to Audio Codec
CLOSE TO CODEC
CLOSE TO CODEC
CLOSE TO CODEC
CLOSE TO CODEC
CLOSE TO CODEC
CLOSE TO CODEC
Realtek Headphone Anti-Pop Circuit.
EMI Require
W94/W95
W54/W55
EMI Require
Please let LC filter together and close to
codec. If speaker wire length is less than
8000mils It don't need the LC filter.
CLOSE TO PVDD1 CLOSE TO PVDD2
CLOSE TO AVDD2CLOSE TO AVDD1
2. Headphone
ಛᇆ
ᇆᒵ
ᒵᐈ
> 10mils
၏ᠦ
phone jack
။᎛
ᒵஉ
உ༉
༉ؘ
ؘؘ
ؘႊ
ႊ။
။ᐈ
R/L
ؘ
ؘؘ
ؘႊ
ႊץ
ץץ
ץ៿
GND
׊
׊׊
׊ၴ
ၴ၏
၏
3*
ᒵᐈ
1. GND and AUDG space is 60mils ~ 100mils
Layout note:
GND
HP-R
3*R/L
ᒵᐈ
HP-L
GND
PU 3.3V FOR
VT1802S
PU 5V FOR
ALC269VB
CLOSE TO CODEC
FOR VT1802S STUFF 100PF
FOR VT1802S STUFF 100K OHM
CLOSE TO CODEC
FOR D-MIC NO STUFF
EMI
BEEP_R
CODEC_PD#
AZ_RST#_R
AZ_SDIN0_R
BEEP_L
AZ_SYNC_R
MIC1_VREFO_R
CODEC_CBN
CODEC_CBP
LINE1_L
LINE1_R
MIC1_R_C
MIC1_L_C
MONO_OUT
SENSE_B
MIC1_VREFO_L
MIC1_VREFO_R
SPKOUTR-
SPKOUTR+
SPKOUTL-
SPKOUTL+
MIC1_R
MIC1_L
CODEC_VREF
SENSE_A
AZ_SDOUT_R
JDREF
LDO_CAP
HEADPHONE-L
HEADPHONE-R
AZ_SYNC_R
AZ_RST#_R
AZ_SDOUT_R
AZ_BITCLK_R
MIC2_L
MIC2_R
INT_M IC
MIC2-VREFO
HEADPHONE-L
HEADPHONE-R
SPKOUTR+_R
SPKOUTR-_R
SPKOUTL+_L
SPKOUTR+
SPKOUTR-
SPKOUTL-
SPKOUTL+
SPKOUTL-_L
SPKOUTL+_L
SPKOUTL-_L
AZ_BITCLK_R
MIC1_VREFO_L
EAPD
MIC2-VREFO
KBC_MUTE#
AZ_RST#_R
EAPD
3.3VS
5VS
3.3VS_AUD
5VS_AUD 5VS
DVDD_IO3.3VS_AUD
AUDG
AUDG
AUDG
AUDG
AUDG
AUDG AUDGAUDGAUDG
AUDG
AUDG
AUDGAUDG
3.3VS_AUD
PVDD1_2
AUDG
AUDG
3.3VS_AUD
5VS_AUD
3.3VS_AUD
HP_SENSE 25
MIC_SENSE 25
AZ_BITCLK_R4
AZ_SDOUT_R4
AZ_RST#_R4
AZ_SYNC_R4
HDA_SDIN04
MIC_DAT25
MIC_CLK25
5VS15,16,18,20,25,26,27,31
3.3VS2,4,5,6,7,8,10,13,14,15,16,17,19,20,21,23,24,25,26,27,29,30,31
SPDIFO25
SPKOUTR-_R 25
SPKOUTR+_R 25
HEADPHONE-L 25
HEADPHONE-R 25
KBC_BEEP24
PCH_SPKR7
KBC_MUTE#24
INT_M IC_ IN 25
MIC1-L 25
MIC1-R 25
Title
Size Document Number Rev
Date: Sheet
of
1.0
[22] AUDIO CODEC_ALC269
A3
22 39Wednesday, July 16, 2014
ᙔ!Ϻ!ႝ!တ!!DMFWP!DP/
6-7P-W5S27-005
6-71-W5S20-D03
Title
Size Document Number Rev
Date: Sheet
of
1.0
[22] AUDIO CODEC_ALC269
A3
22 39Wednesday, July 16, 2014
ᙔ!Ϻ!ႝ!တ!!DMFWP!DP/
6-7P-W5S27-005
6-71-W5S20-D03
Title
Size Document Number Rev
Date: Sheet
of
1.0
[22] AUDIO CODEC_ALC269
A3
22 39Wednesday, July 16, 2014
ᙔ!Ϻ!ႝ!တ!!DMFWP!DP/
6-7P-W5S27-005
6-71-W5S20-D03
C436 2.2u_6.3V_X5R_04C436 2.2u_6.3V_X5R_04
C428 *10p_50V_NPO_04C428 *10p_50V_NPO_04
R512 39.2K_1%_04R512 39.2K_1%_04
C429 10u_6.3V_X5R_06C429 10u_6.3V_X5R_06
Q21
*MTN7002ZHS3
Q21
*MTN7002ZHS3
G
DS
C439
0.1u_16V_Y5V_04
C439
0.1u_16V_Y5V_04
C425 *10p_50V_NPO_04C425 *10p_50V_NPO_04
C203
*100p_50V_NPO_04
C203
*100p_50V_NPO_04
C448
10u_6.3V_X5R_06
C448
10u_6.3V_X5R_06
R510 2.2K_04R510 2.2K_04
C9 *100p_50V_NPO_04C9 *100p_50V_NPO_04
C424
100p_50V_NPO_04
C424
100p_50V_NPO_04
C441
0.1u_16V_Y5V_04
C441
0.1u_16V_Y5V_04
C205
*100p_50V_NPO_04
C205
*100p_50V_NPO_04
R524 *1K_04R524 *1K_04
J_SPKL1
*85204-02001
PCB Footprint = 85204-02R
J_SPKL1
*85204-02001
PCB Footprint = 85204-02R
1
2NC2
NC1
R528
*10K_04
R528
*10K_04
R578 0_04R578 0_04
C440
10u_6.3V_X5R_06
C440
10u_6.3V_X5R_06
R521 2.2K_04R521 2.2K_04
C442
0.1u_16V_Y5V_04
C442
0.1u_16V_Y5V_04
R527
*220K_04
R527
*220K_04
C210
*100p_50V_NPO_04
C210
*100p_50V_NPO_04
C415 4.7u_6.3V_X5R_06C415 4.7u_6.3V_X5R_06
DIGITAL ANALOG
U28
ALC269Q-VC2-CG
DIGITAL ANALOG
U28
ALC269Q-VC2-CG
DVDD1
1
GPIO0-DMIC-DAT
2
GPIO1-DMIC-CLK
3
PD#
4
SDATA-OUT
5
BIT-CLK
6
DVSS2
7
SDATA-IN
8
DVDD-IO
9
SYNC
10
RESET#
11
PCBEEP
12
Sense A
13
LINE2-L
14
LINE2-R
15
MIC2-L
16
MIC2-R
17
Sense-B
18
JDREF
19
MONO-OUT
20
MIC1-L
21
MIC1-R
22
LINE1-L
23
LINE1-R
24
AVSS1
26
VREF
27
LDO_CAP
28
MIC2-VREFO
29
MIC1-VREFO-R
30
MIC1-VREFO-L
31
HP-OUT-L
32
AVSS2
37
OPVEE
34
CBN
35
CBP
36
HP-OUT-R
33
PVDD1
39
SPK-L+
40
SPK-L-
41
PVSS1
42
PVSS2
43
SPK-R+
45
SPK-R-
44
PVDD2
46
SPDIFC2/EAPD
47
SPDIFO
48
AVDD2
38
AVDD1
25
GND
49
R514 20K_1%_04R514 20K_1%_04
L60 *HCB1005KF-121T20L60 *HCB1005KF-121T20
R523 22_04R523 22_04
R579 0_04R579 0_04
C438
0.1u_16V_Y5V_04
C438
0.1u_16V_Y5V_04
L59
HCB1005KF-121T20
L59
HCB1005KF-121T20
Q19
*BTD2444N3
Q19
*BTD2444N3
B
E C
R526
*1K_04
R526
*1K_04
C423
1u_6.3V_X5R_04
C423
1u_6.3V_X5R_04
R522 *20mil_04R522 *20mil_04
R519 *1K_04R519 *1K_04
C419
10u_6.3V_X5R_06
C419
10u_6.3V_X5R_06
C426 0.1u_16V_Y5V_04C426 0.1u_16V_Y5V_04
L27 0_06L27 0_06
R511
4.7K_04
R511
4.7K_04
C431
0.1u_16V_Y5V_04
C431
0.1u_16V_Y5V_04
C412 *4.7u_6.3V_X5R_06C412 *4.7u_6.3V_X5R_06
C212
*100p_50V_NPO_04
C212
*100p_50V_NPO_04
R515
47K_04
R515
47K_04
L58
HCB1005KF-121T20
L58
HCB1005KF-121T20
R509 1K_04R509 1K_04
C422
*100p_50V_NPO_04
C422
*100p_50V_NPO_04
Q18
*BTD2444N3
Q18
*BTD2444N3
B
E C
R508 1K_04R508 1K_04
R520 *4.7K_04R520 *4.7K_04
L26 0_06L26 0_06
C334 22p_50V_NPO_04C334 22p_50V_NPO_04
C433
2.2u_6.3V_X5R_04
C433
2.2u_6.3V_X5R_04
C478 *15p_50V_NPO_04C478 *15p_50V_NPO_04
C443
0.1u_16V_Y5V_04
C443
0.1u_16V_Y5V_04
C417
1u_6.3V_X5R_04
C417
1u_6.3V_X5R_04
R530
*10K_04
R530
*10K_04
R525 *1K_04R525 *1K_04
L28 0_06L28 0_06
C435 *10p_50V_NPO_04C435 *10p_50V_NPO_04
C413 *4.7u_6.3V_X5R_06C413 *4.7u_6.3V_X5R_06
C445 0.1u_16V_Y5V_04C445 0.1u_16V_Y5V_04
C420 *100p_50V_NPO_04C420 *100p_50V_NPO_04
C414 4.7u_6.3V_X5R_06C414 4.7u_6.3V_X5R_06
C427 1u_6.3V_X5R_04C427 1u_6.3V_X5R_04
C430 *0.022u_16V_X7R_04C430 *0.022u_16V_X7R_04
R569 0_04R569 0_04
C437
*10u_6.3V_X5R_06
C437
*10u_6.3V_X5R_06
C
A
A
D18
BAT54CS3
C
A
A
D18
BAT54CS3
1
2
3
C482 *15p_50V_NPO_04C482 *15p_50V_NPO_04
L29 0_06L29 0_06
R245 *20mil_04R245 *20mil_04
Q20
*BTB1590N3
Q20
*BTB1590N3
B
EC
C421
0.1u_16V_Y5V_04
C421
0.1u_16V_Y5V_04
C432
10u_6.3V_X5R_06
C432
10u_6.3V_X5R_06
C
A
A
D19
BAT54AS3
C
A
A
D19
BAT54AS3
1
2
3
C409 0.1u_16V_Y5V_04C409 0.1u_16V_Y5V_04
J_SPKL2
*85204-02001
PCB Footprint = 85204-02R
J_SPKL2
*85204-02001
PCB Footprint = 85204-02R
1
2NC2
NC1
R536 *20mil_04R536 *20mil_04
C444
10u_6.3V_X5R_06
C444
10u_6.3V_X5R_06
C416 *100p_50V_NPO_04C416 *100p_50V_NPO_04
R513 20K_1%_04R513 20K_1%_04
R529
*1K_04
R529
*1K_04
C446
10u_6.3V_X5R_06
C446
10u_6.3V_X5R_06

Table of Contents