EasyManua.ls Logo

Mecer Xpression W950AU - Vdd3, Vdd5

Mecer Xpression W950AU
100 pages
Print Icon
To Next Page IconTo Next Page
To Next Page IconTo Next Page
To Previous Page IconTo Previous Page
To Previous Page IconTo Previous Page
Loading...
1
1
2
2
3
3
4
4
5
5
6
6
7
7
8
8
A A
B B
C C
D D
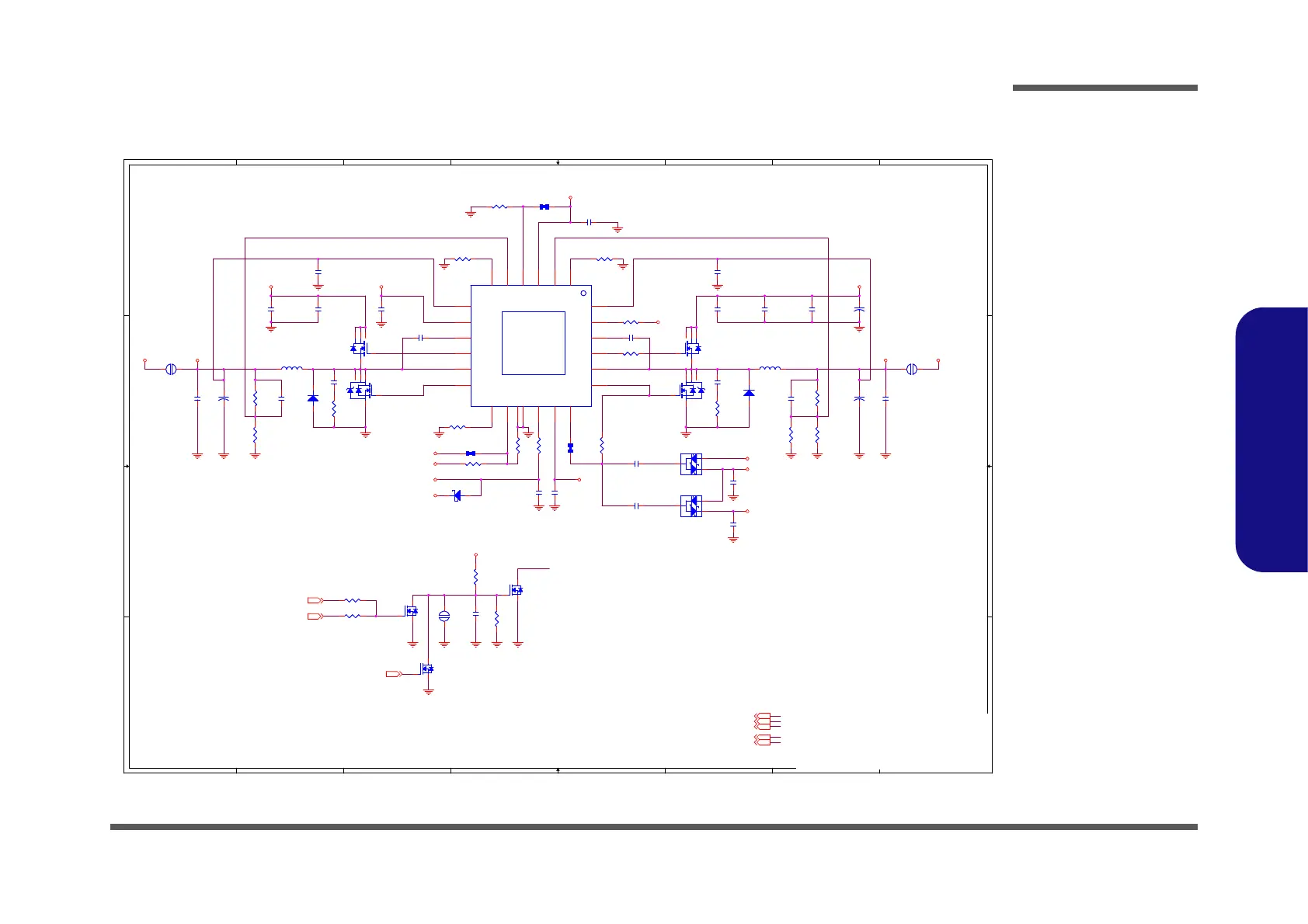
R2
R1
R2
by battery mode VDD5 can't
ture off at system off.
R1
VDD3/VDD5
SUPPORT USB CHARGER
5A 6A
VDD3 VDD5
Vout
=2*(1+R1/R2)
=2*(1+13K/20K)
=3.3V
6-13-18721-28C
Vout
=2*(1+R1/R2)
=2*(1+30K/18.7K)
=5.208V
EMI
SHORT SHORT
POWER ON:
USB_CHARGE_EN = DDON=HI
POWEROFF CHARGE:
USB_CHARGE_EN = HI
DDON = LO
DD_ON_EN_VDD
EN_5V
EN_ALL
Z3619
EN_3V EN_5V
Z3618 Z3621
Z3620
VIN
VREF
VREG3
VREG5
VREF
VREG5
SYS5V
SYS15V
VDD3 SYS3V
SYS10V
VIN1
SYS5V
VDD5
VREG5
SYS5V
VIN VIN
DD_ON23,24,27
USB_CHARGE_EN24,27
AC_IN32
VIN15,27,29,30,31,32
VDD34,5,6,7,10,19,21,24,25,27,29,30,32
VDD52,23,27,30
SYS15V16,27,30
VIN127
Title
Size Document Number Rev
Date: Sheet
of
1.0
[28] VDD3, VDD5
A3
28 39Monday, October 28, 2013
ᙔ!Ϻ!ႝ!တ!!DMFWP!DP/
6-7P-W5S27-005
6-71-W5S20-D03
Title
Size Document Number Rev
Date: Sheet
of
1.0
[28] VDD3, VDD5
A3
28 39Monday, October 28, 2013
ᙔ!Ϻ!ႝ!တ!!DMFWP!DP/
6-7P-W5S27-005
6-71-W5S20-D03
Title
Size Document Number Rev
Date: Sheet
of
1.0
[28] VDD3, VDD5
A3
28 39Monday, October 28, 2013
ᙔ!Ϻ!ႝ!တ!!DMFWP!DP/
6-7P-W5S27-005
6-71-W5S20-D03
PR47 *0_04PR47 *0_04
PR127 *20mil_04PR127 *20mil_04
PR52
*1.5M_04
PR52
*1.5M_04
PR34
*20mil_04
PR34
*20mil_04
PC23
0.01u_50V_X7R_04
PC23
0.01u_50V_X7R_04
PQ4
*MTN7002ZHS3
PQ4
*MTN7002ZHS3
G
DS
+
PC148
*15u_25V_6.3*4.4
+
PC148
*15u_25V_6.3*4.4
PC113
*1000p_50V_X7R_04
PC113
*1000p_50V_X7R_04
PC40
1u_6.3V_X5R_04
PC40
1u_6.3V_X5R_04
PQ35B
EMB17A03V
PQ35B
EMB17A03V
1
2
7
8
9
PC41
100p_50V_NPO_04
PC41
100p_50V_NPO_04
PD10
CSOD140SH
PD10
CSOD140SH
A C
PQ34A
EMB17A03V
PQ34A
EMB17A03V
3
4
5
6
10
PR46 0_04PR46 0_04
PR121
*5.1_06
PR121
*5.1_06
PR55
20K_1%_04
PR55
20K_1%_04
PC31 0.1u_10V_X5R_04PC31 0.1u_10V_X5R_04
PC22
0.01u_50V_X7R_04
PC22
0.01u_50V_X7R_04
PC117
*1000p_50V_X7R_04
PC117
*1000p_50V_X7R_04
PR58
30K_1%_04
PR58
30K_1%_04
PC37
1000p_50V_X7R_04
PC37
1000p_50V_X7R_04
PL9
BCIHP0730-4R7M
PL9
BCIHP0730-4R7M
12
PC121
2200p_50V_X7R_04
PC121
2200p_50V_X7R_04
PC109
0.1u_16V_Y5V_04
PC109
0.1u_16V_Y5V_04
PR45 *10K_04PR45 *10K_04
PR36
*0_04
PR36
*0_04
C
A
A
PD4
BAT54SS3
C
A
A
PD4
BAT54SS3
1
2
3
PC114
4.7u_25V_X5R_08
PC114
4.7u_25V_X5R_08
C
A
A
PD12
BAT54SS3
C
A
A
PD12
BAT54SS3
1
2
3
PC120
4.7u_25V_X5R_08
PC120
4.7u_25V_X5R_08
PC20
4.7u_25V_X5R_08
PC20
4.7u_25V_X5R_08
PR32
*0_04
PR32
*0_04
PQ35A
EMB17A03V
PQ35A
EMB17A03V
3
4
5
6
10
PC38
1000p_50V_X7R_04
PC38
1000p_50V_X7R_04
PQ34B
EMB17A03V
PQ34B
EMB17A03V
1
2
7
8
9
PC21
1u_6.3V_X5R_04
PC21
1u_6.3V_X5R_04
PR38 0_04PR38 0_04
PC29
0.1u_10V_X7R_04
PC29
0.1u_10V_X7R_04
PC108
0.1u_16V_Y5V_04
PC108
0.1u_16V_Y5V_04
PR122
2_06
PR122
2_06
S
D
G
PQ8A
MTDK5S6R
S
D
G
PQ8A
MTDK5S6R
2
61
PJ15
*OPEN-5mm
PJ15
*OPEN-5mm
12
PC39
1000p_50V_X7R_04
PC39
1000p_50V_X7R_04
PR39
10K_04
PR39
10K_04
PR41
100K_04
PR41
100K_04
PR57
130K_1%_04
PR57
130K_1%_04
+
PC101
220u_6.3V_6.3*6.3*4.2
+
PC101
220u_6.3V_6.3*6.3*4.2
S
D
G
PQ8B
MTDK5S6R
S
D
G
PQ8B
MTDK5S6R
5
34
PJ16
*OPEN-5mm
PJ16
*OPEN-5mm
12
PL8
BCIHP0730-4R7M
PL8
BCIHP0730-4R7M
1 2
PC26 0.1u_10V_X5R_04PC26 0.1u_10V_X5R_04
PR33
*680K_1%_04
PR33
*680K_1%_04
+
PC100
220u_6.3V_6.3*6.3*4.2
+
PC100
220u_6.3V_6.3*6.3*4.2
PR53
18.7K_1%_04
PR53
18.7K_1%_04
PU2
UP6182
PU2
UP6182
VREF
3
EN1
1
VFB1
2
TONSEL
4
LDO5
17
LGATE1
19
PHASE1
20
VFB2
5
UGATE2
10
VCLK
18
BOOT2
9
EN2
6
VO2
7
LDO3
8
PHASE2
11
LGATE2
12
EN0
13
SKIPSEL
14
GND
15
VIN
16
UGATE1
21
BOOT1
22
POK
23
VO1
24
GND PAD
25
PD14
RB751S-40C2
PD14
RB751S-40C2
AC
PC116
2200p_50V_X7R_04
PC116
2200p_50V_X7R_04
PR56
13K F 1/16W SMD0402
PR56
13K F 1/16W SMD0402
PC115
0.1u_50V_Y5V_06
PC115
0.1u_50V_Y5V_06
PR119
*5.1_06
PR119
*5.1_06
PR31 *0_04PR31 *0_04
PD11
CSOD140SH
PD11
CSOD140SH
A C
PR49
130K_1%_04
PR49
130K_1%_04
PC19
4.7u_25V_X5R_08
PC19
4.7u_25V_X5R_08
PR54
*20mil_04
PR54
*20mil_04
PC118
4.7u_25V_X5R_08
PC118
4.7u_25V_X5R_08
PR132
*0_04
PR132
*0_04
PC33
1u_6.3V_X5R_04
PC33
1u_6.3V_X5R_04
PJ3
*CV-40mil
PJ3
*CV-40mil
12
Sheet 28 of 38
VDD3, VDD5
Schematic Diagrams
VDD3, VDD5 B - 29
B.Schematic Diagrams
VDD3, VDD5

Table of Contents