EasyManua.ls Logo

Mercury MerCruiser MCM 454 Mag MPI - Detected

Mercury MerCruiser MCM 454 Mag MPI
1027 pages
To Next Page IconTo Next Page
To Next Page IconTo Next Page
To Previous Page IconTo Previous Page
To Previous Page IconTo Previous Page
Loading...
TROUBLE CODE DIAGNOSTICS - 7.4L MPI
SERVICE MANUAL NUMBER 23
90-861326--1 MARCH 1999 Page 5G-63
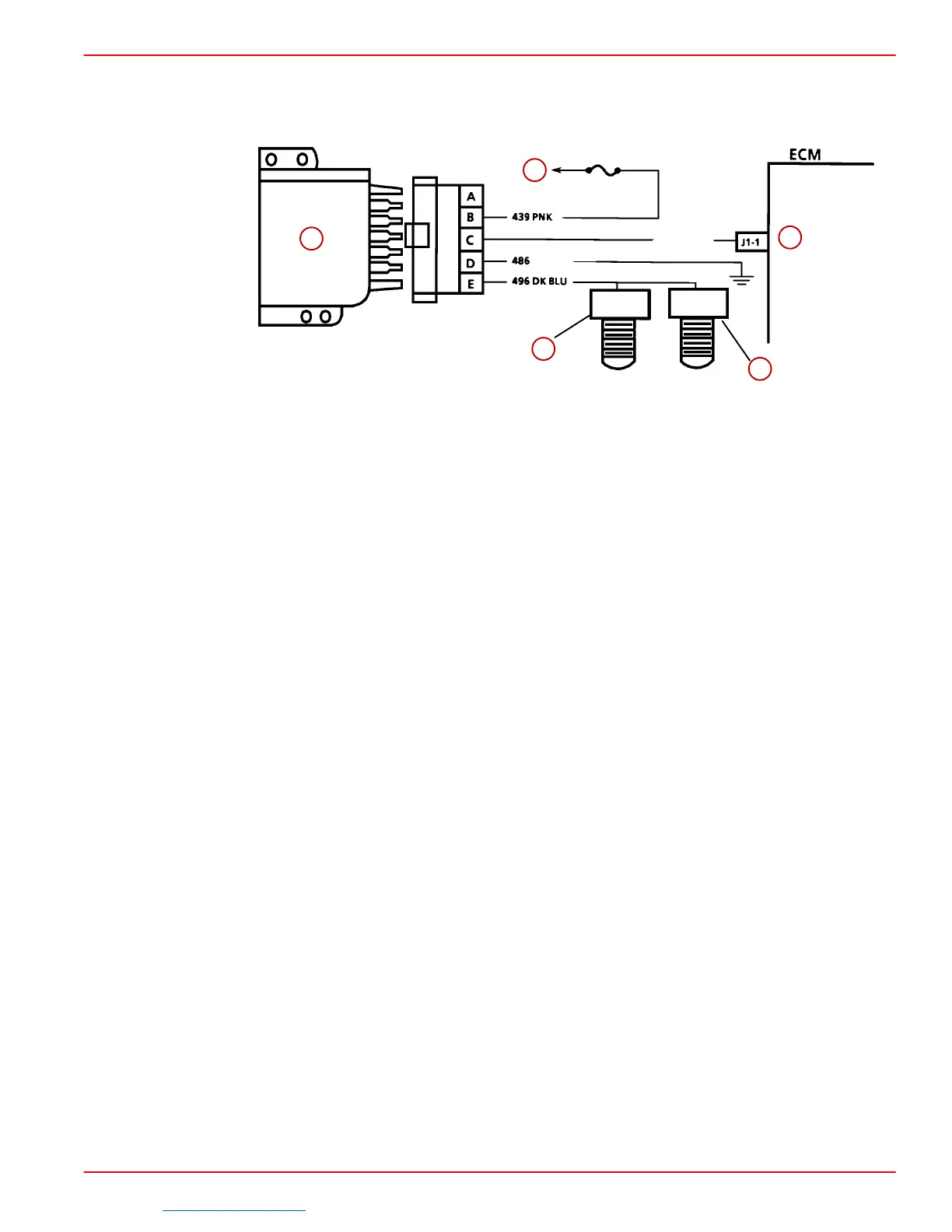
Code 43 (1 of 2): Knock Sensor (KS) Circuit (Scan) - Continuous Knock
Detected
FUSE 15A
PUR
485 GRN
a
b
c
d
e
a-Knock Sensor Module
b-To System Relay
c-Starboard Knock Sensor
d-Port Knock Sensor
e-Knock Sensor Signal
CIRCUIT DESCRIPTION:
Knock Sensor (KS) system circuit is accomplished with a module that sends a voltage signal
to the ECM. As the knock sensor detects engine knock, the voltage from the KS module to
the ECM drops, and this signals the ECM to start retarding timing. The ECM will retard timing
when knock is detected and RPM or engine coolant temperature is above a certain value.
DIAGNOSTIC AIDS
Check for the following conditions:
Poor connection at ECM. Inspect harness connectors for backed out terminals,
improper mating, broken locks, improperly formed or damaged terminals, and poor ter-
minal to wire connection.
Damaged harness. Inspect the wiring harness for damage.
If CKT 496 is routed too close to secondary ignition wires, the KS module may see the
interference as a knock signal, resulting in false timing retard.
After repairs, clear DTC’s following “Clearing Trouble Codes” procedure at the front of this
section. Failure to do so may result in DTC’s not properly being cleared.
NOTE: If there are abnormal mechanical engine noises (rattles or knocks), they may give
a false DTC 43. If fuel octane is too low, a false DTC 43 may be set.
TEST DESCRIPTION:
Step 2. This step determines if ignition voltage is available to power up the KS module.
Step 3. This step checks the ground circuit from the KS module. If the test light is dim,
check ground CKT 486 for excessive resistance.
Step 4. This step checks if a voltage signal from the KS module is present at the ECM.
Downloaded from https://needmanual.com/!
Index

Table of Contents

Related product manuals