EasyManua.ls Logo

Merrychef eikon e4 - HEATER CIRCUIT E4

Merrychef eikon e4
60 pages
Print Icon
To Next Page IconTo Next Page
To Next Page IconTo Next Page
To Previous Page IconTo Previous Page
To Previous Page IconTo Previous Page
Loading...
56
Service & Parts Manual original Instructions
Part Number 32Z3810GB
Issue 1
ELECTRICAL
CIRCUITS
N L
11
1
10
7
11
11
1
N
4
7
10
x2.1
x14.1
x14.2
x2.2
29
29 78 78
77
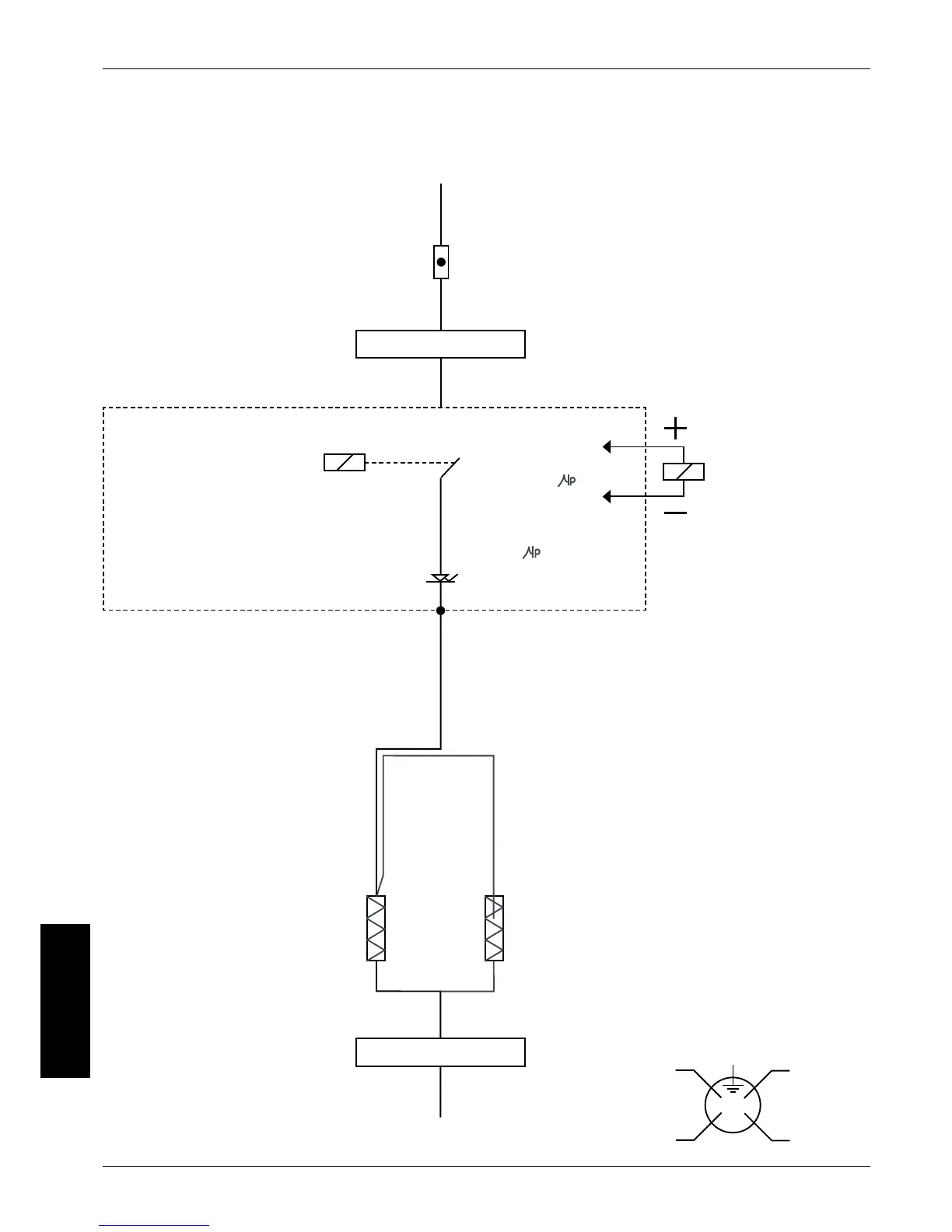
Filter 3
Filter 3
Temperature
thermocouple
Heater Element
Filter 3. Connector view
Processor controlled
input for
Safety Heater Relay.
Powered by Safety Supply
relay
Fuse 1
HEATER CIRCUIT e425.3
20 Amp
L

Table of Contents

Other manuals for Merrychef eikon e4

Related product manuals