EasyManua.ls Logo

Meyer's VB280 - Gate Height Indicator System

Meyer's VB280
62 pages
Print Icon
To Next Page IconTo Next Page
To Next Page IconTo Next Page
To Previous Page IconTo Previous Page
To Previous Page IconTo Previous Page
Loading...
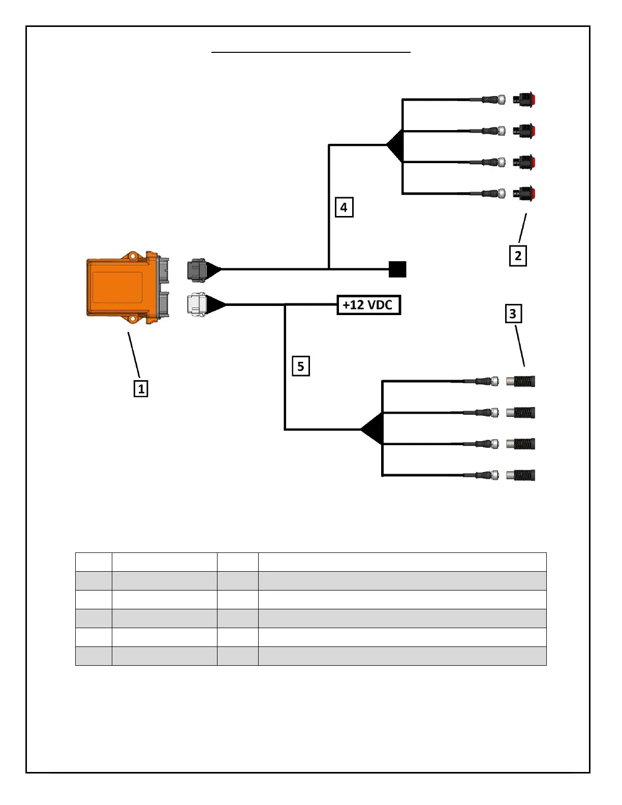
52 | P a g e M o d e l V B 2 8 0
GATE HEIGHT INDICATOR SYSTEM
KEY
PART NO.
QTY.
DESCRIPTION
1
E31103-RM-4C
1
PCB RELAY MODULE, COMPLETE
2
E31070
4
LED LIGHT, RED/GREEN, S22DLGRXPQ
3
E31083B
4
PROXIMITY SENSOR, PBK-AP-2H (PNP / NO)
4
E31115-BB
1
WIRING HARNESS B, PCB to LEDs + Solenoid
5
E31115-AB
1
WIRING HARNESS A, PCB to Sensors + Power

Table of Contents

Related product manuals