EasyManua.ls Logo

Mic AV8 - Wiring Diagram (Golf 6); Volkswagen Golf 6 Wiring

Mic AV8
42 pages
Print Icon
To Next Page IconTo Next Page
To Next Page IconTo Next Page
To Previous Page IconTo Previous Page
To Previous Page IconTo Previous Page
Loading...
- 9 -
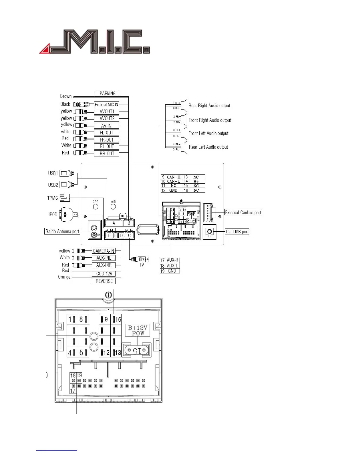
Wiring Diagram(Volkswagen to GOLF 6 platform)