EasyManua.ls Logo

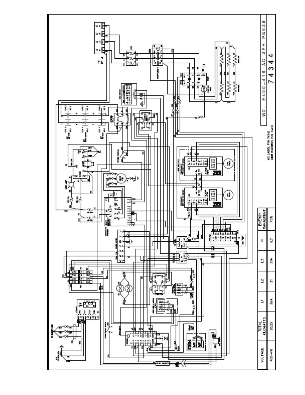
Middleby Marshall PS638E - Page 45

Default Icon
51 pages
Print Icon
To Next Page IconTo Next Page
To Next Page IconTo Next Page
To Previous Page IconTo Previous Page
To Previous Page IconTo Previous Page
Loading...
40

Related product manuals