EasyManua.ls Logo

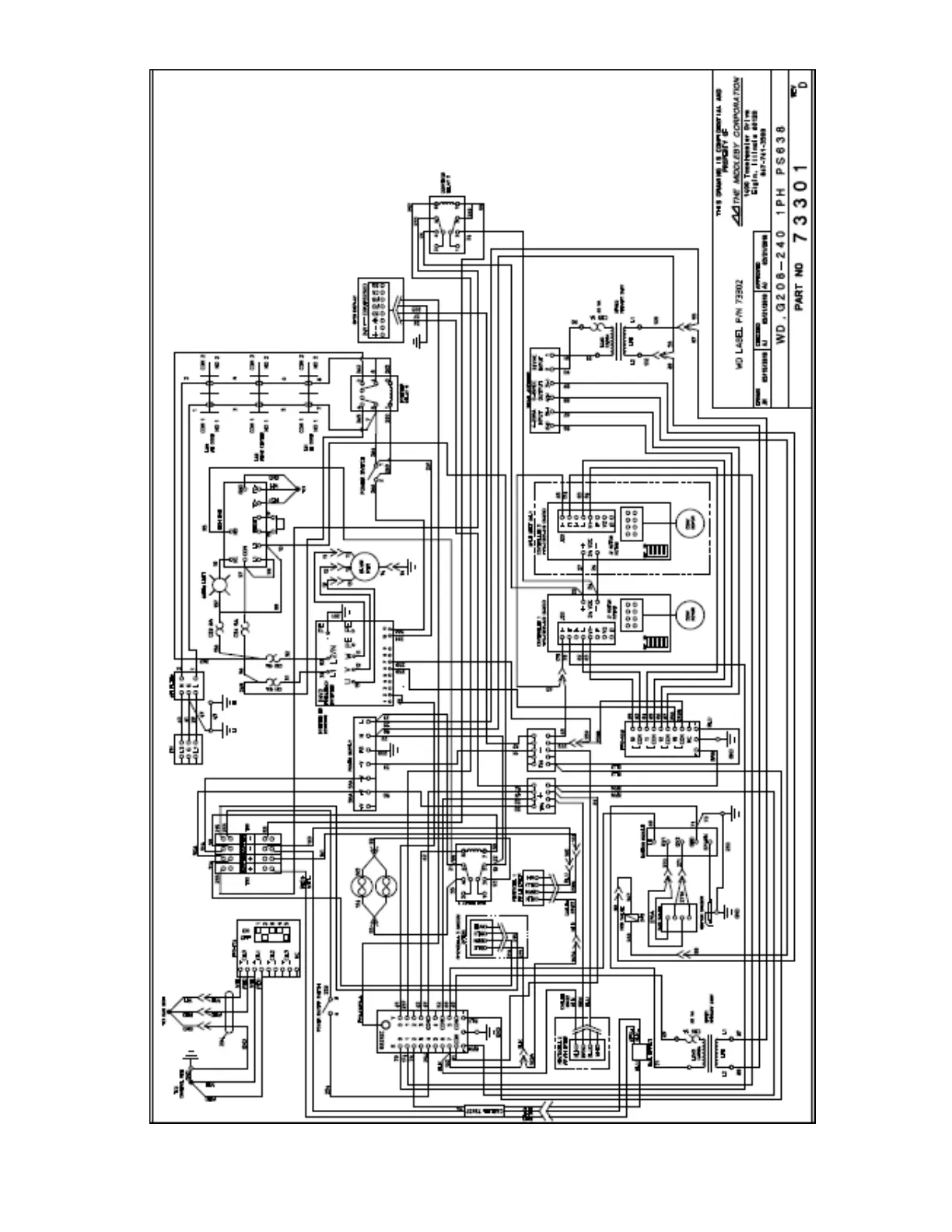
Middleby Marshall PS638E - Section 5 - Wiring Diagram

Default Icon
51 pages
Print Icon
To Next Page IconTo Next Page
To Next Page IconTo Next Page
To Previous Page IconTo Previous Page
To Previous Page IconTo Previous Page
Loading...
36
SECTION 5 – WIRING DIAGRAMS

Related product manuals