EasyManua.ls Logo

Midea HS-455LWEN-W1 - Circulating Route of Cooling Air

Midea HS-455LWEN-W1
44 pages
Print Icon
To Next Page IconTo Next Page
To Next Page IconTo Next Page
To Previous Page IconTo Previous Page
To Previous Page IconTo Previous Page
Loading...
12
Defrosting heater in freezing chamber
/
/
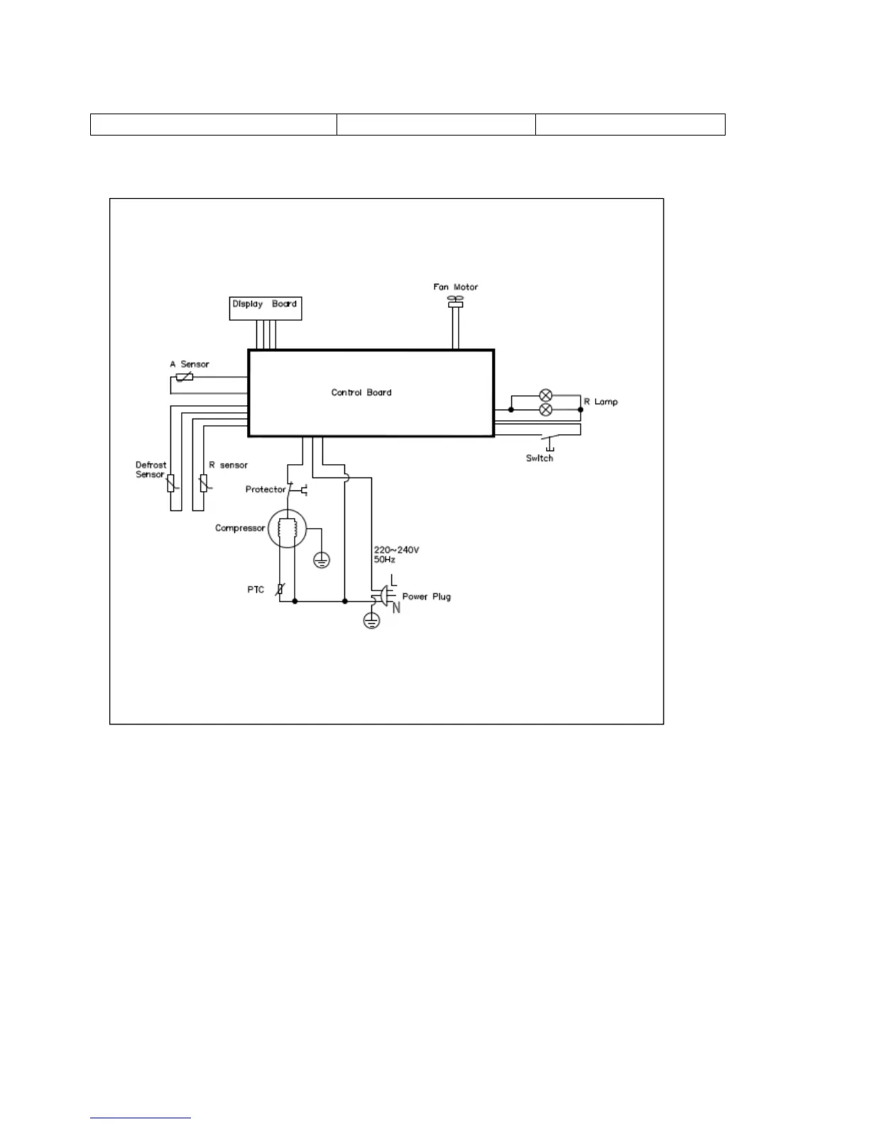
5.5Circuit diagram

Table of Contents

Related product manuals