EasyManua.ls Logo

Midea HS-455LWEN-W1 - Fan Failure Diagnosis; Noise Troubleshooting

Midea HS-455LWEN-W1
44 pages
Print Icon
To Next Page IconTo Next Page
To Next Page IconTo Next Page
To Previous Page IconTo Previous Page
To Previous Page IconTo Previous Page
Loading...
29
3% per degree centigrade. Sensor used in the refrigerator is NTC thermistor.
There is following computing formula for the sensor:
Sampling voltage / reference voltage = R1 / (RNTC + R1)
AD value / reference AD value = R1 / (RNTC + R1)
The reference voltage is 5V, RNTC is the resistance value of the sensor, R1 is R31\R32\R33 in
schematic diagram that is 5.1K
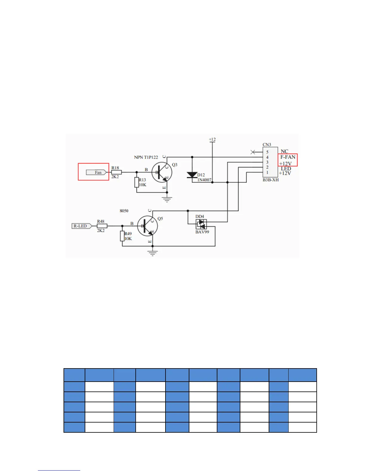
10.4Fan motor circuit of the freezing chamber
The fan in the freezing chamber is running when the compressor is operating. Check 12V and
FAN to see if there is a voltage of 12V. When in normal operation, the fan is in low level and the
voltage between 12V and FAN is more than 11V. If there’s no voltage when the compressor is in
operation, fan motor or electric control panel can be replaced.
10.5Refrigerator fan motor circuit (None)
10.6Condensing fan motor circuit (None)
10.7Damper motor circuit (None)
10.8Resistance value of the sensor (R/T)
Tx()
RKΩ
Tx()
RKΩ
Tx()
RKΩ
Tx()
RKΩ
Tx()
RKΩ
-30
33.81
-15
14.31
0
6.495
15
3.141
30
1.617
-29
31.85
-14
13.55
1
6.175
16
2.999
31
1.55
-28
30.01
-13
12.83
2
5.873
17
2.865
32
1.486
-27
28.29
-12
12.16
3
5.587
18
2.737
33
1.426
-26
26.68
-11
11.52
4
5.315
19
2.616
34
1.368

Table of Contents

Related product manuals