EasyManua.ls Logo

Midea HS-455LWEN-W1 - Compressor Failure Diagnosis; Undercooling and Temperature Control Issues

Midea HS-455LWEN-W1
44 pages
Print Icon
To Next Page IconTo Next Page
To Next Page IconTo Next Page
To Previous Page IconTo Previous Page
To Previous Page IconTo Previous Page
Loading...
28
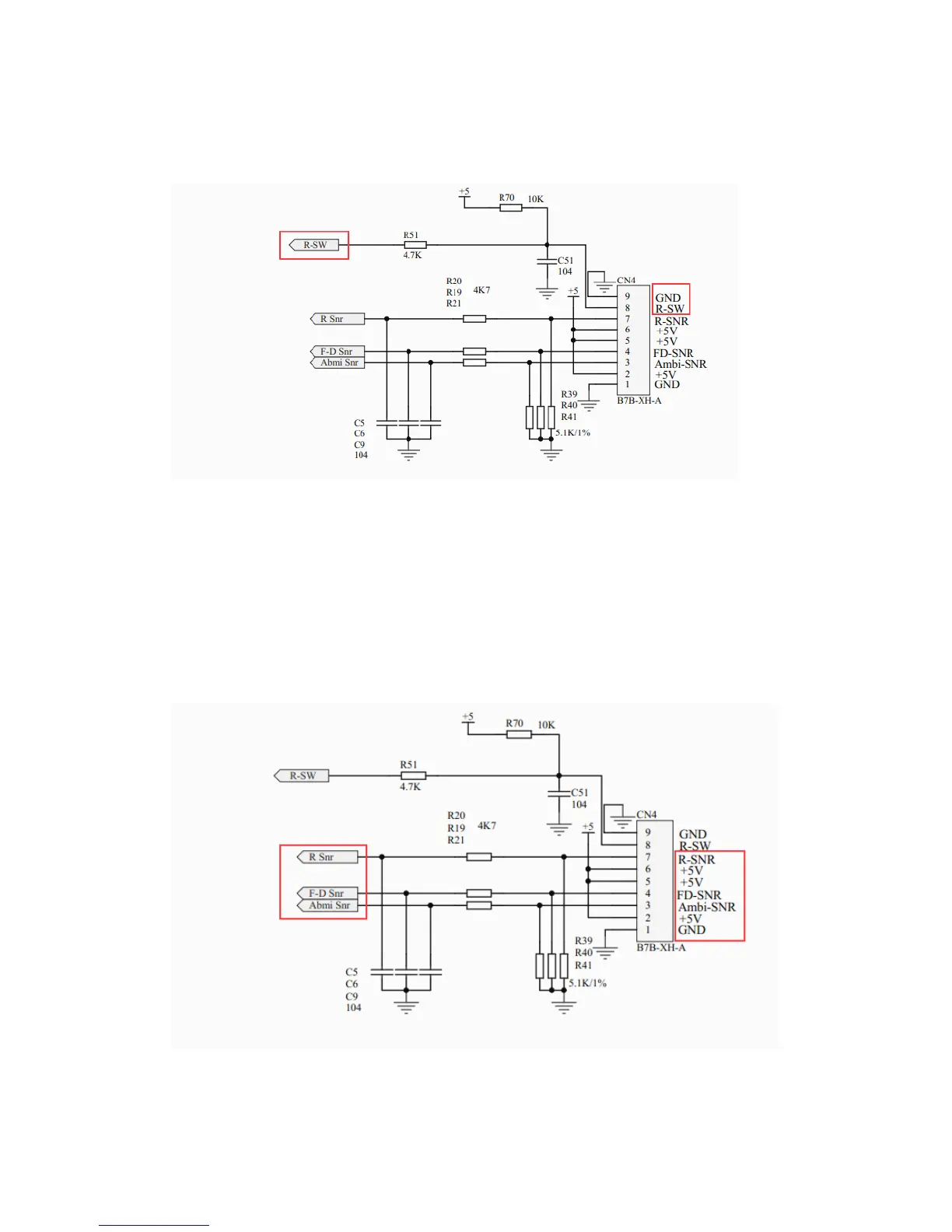
10.2Door trip test circuit
The door switch input circuit is used to detect the refrigerator door open or not the circuit module.
Chip I/O PORT port. by testing the continuous high level + 5V to determine whether the door is
open. And then drive the relevant load
10.3Temperature test circuit
It’s conducted by the sensor, making use of the characteristics that resistance value reduces as the
temperature increases, and the thermistor that has temperature coefficient of resistance in medium
temperature.
The characteristic that resistance value reduces as the temperature increases is deemed to have
negative slope or negative temperature coefficient (NTC), and such thermistor is called as NTC
thermistor. The resistance value changes sensitively with temperature and typically changes 7% ~

Table of Contents

Related product manuals