EasyManua.ls Logo

Midea M2OG-14HFN8-Q - Unit Functions & Performance

Midea M2OG-14HFN8-Q
69 pages
To Next Page IconTo Next Page
To Next Page IconTo Next Page
To Previous Page IconTo Previous Page
To Previous Page IconTo Previous Page
Loading...
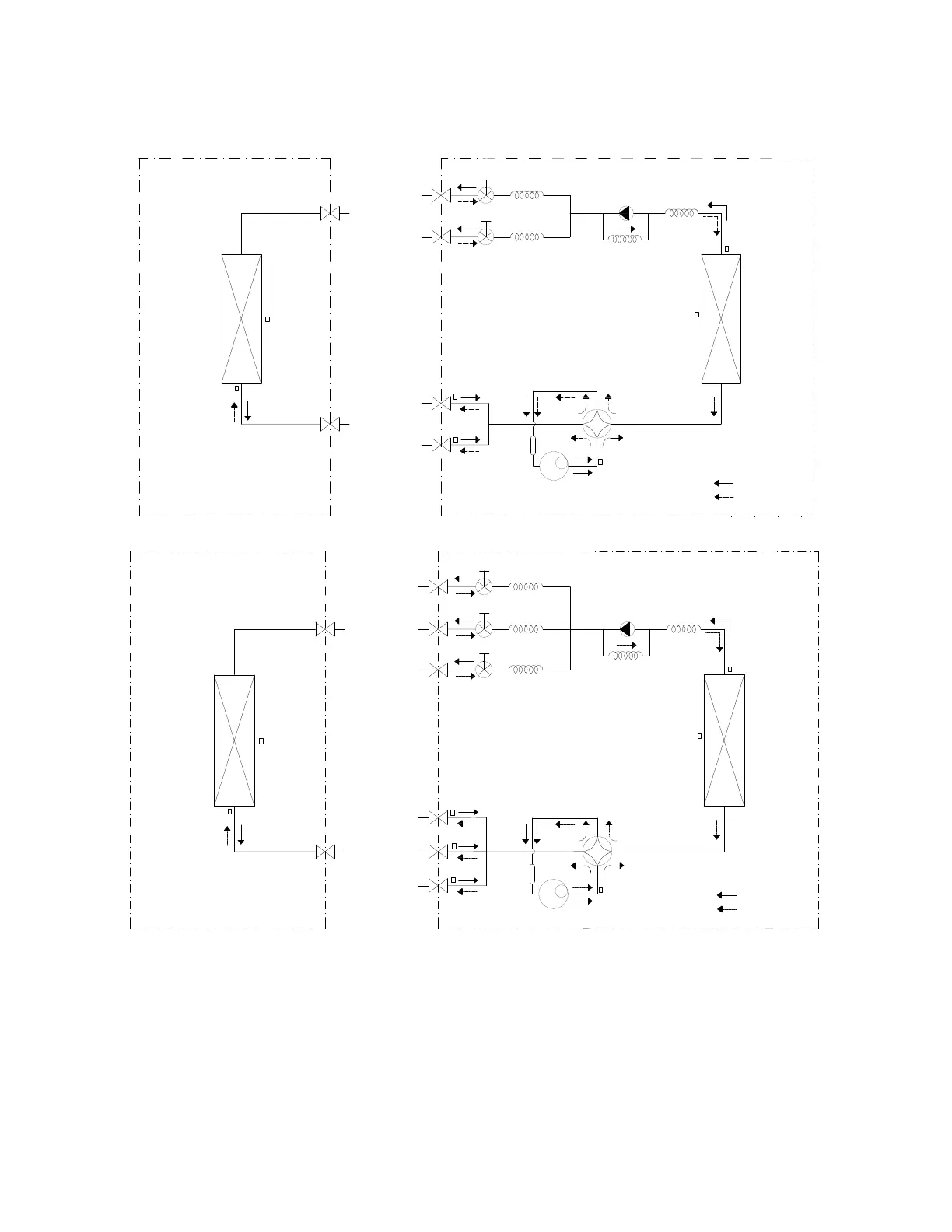
4.
Refrigeration Cycle Diagram
4.1
Refrigeration circuit drawing of inverter 1 drive 2 type
LIQUID VALVE A
GAS VALVE A
HEAT
EXCHANGE
(EVAPORATOR)
HEAT
EXCHANGE
(CONDENSER)
Compressor
4-WAY VALVE
COOLING
HEATING
T2 Evaporator
temp. sensor
middle
T1 Room
temp. sensor
T3
Condenser
temp. sensor
T5 Discharge
temp. sensor
T4 Ambient
temp. sensor
INDOOR OUTDOOR
EXV A
CAPILLARY A
CHECK VALVE
CAPILLARY TUBE
EXV B CAPILLARY B
LIQUID VALVE B
GAS VALVE B
Accumulator
T2B-A
Evaporator
temp. sensor outlet
T2B-B
4.2 Refrigeration circuit drawing of inverter 1 drive 3 type
LIQUID VALVE A
GAS VALVE A
HEAT
EXCHANGE
(EVAPORATOR)
HEAT
EXCHANGE
(CONDENSER)
Compressor
4-WAY VALVE
COOLING
HEATING
T2 Evaporator
temp. sensor
middle
T1 Room
temp. sensor
T3
Condenser
temp. sensor
T5 Discharge
temp. sensor
T4 Ambient
temp. sensor
EXV A CAPILLARY A
CHECK VALVE
CAPILLARY TUBE
EXV B
CAPILLARY B
LIQUID VALVE B
GAS VALVE B
EXV C
CAPILLARY C
LIQUID VALVE C
GAS VALVE C
Accumulator
T2B-A
Evaporator
temp. sensor outlet
T2B-B
T2B-C

Other manuals for Midea M2OG-14HFN8-Q

Related product manuals