EasyManua.ls Logo

Midea M2OG-14HFN8-Q - Refrigerant Cycle Diagrams

Midea M2OG-14HFN8-Q
140 pages
To Next Page IconTo Next Page
To Next Page IconTo Next Page
To Previous Page IconTo Previous Page
To Previous Page IconTo Previous Page
Loading...
Specifications
Page 57
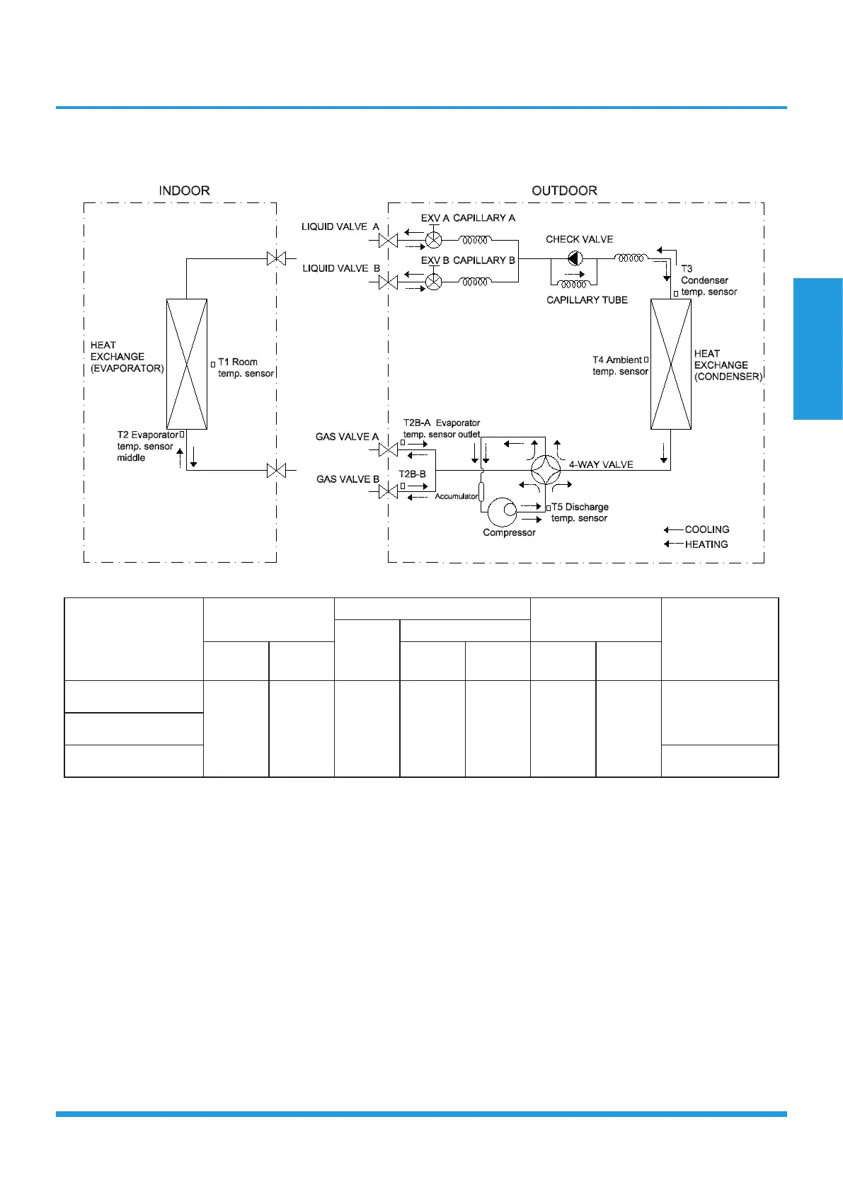
9. Refrigerant Cycle Diagrams
Model
Pipe Size
(Diameter:ø)
Piping length (m)
Elevation (m)
Additional
Refrigerant
Rated
Max
Gas Liquid Single Total
IDU and
ODU
Between
IDUs
M2OG-14HFN8-Q
2x9.52 2x6.35 15 25 40 15 10
12g/m
M2OC-18HFN8-Q
M2OD-18HFN8-Q
Note: For M2OC-18HFN8-Q, there is no Accumulator.

Table of Contents

Other manuals for Midea M2OG-14HFN8-Q

Related product manuals