EasyManua.ls Logo

Midea MCCU-7CN2 - Page 29

Midea MCCU-7CN2
74 pages
Print Icon
To Next Page IconTo Next Page
To Next Page IconTo Next Page
To Previous Page IconTo Previous Page
To Previous Page IconTo Previous Page
Loading...
MCAC-UTSM-2012--05 R407C MCCU Technical Manual
29
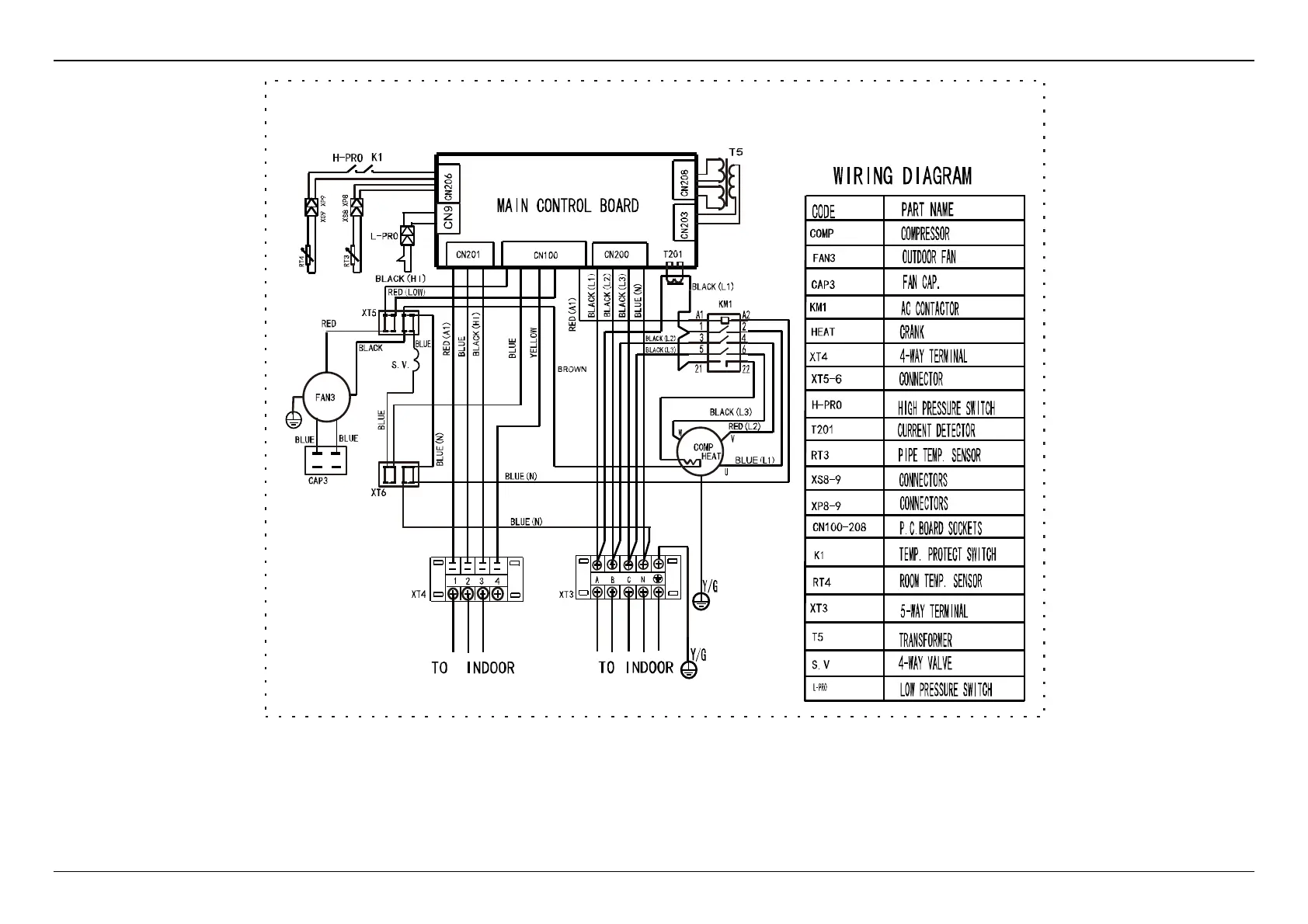
10.10 MCCU-10HN2

Related product manuals