EasyManua.ls Logo

Midea MOU-12HN1

Midea MOU-12HN1
141 pages
To Next Page IconTo Next Page
To Next Page IconTo Next Page
To Previous Page IconTo Previous Page
To Previous Page IconTo Previous Page
Loading...
Wiring Diagram MCAC-UTSM-2008-11
12 Indoor Units
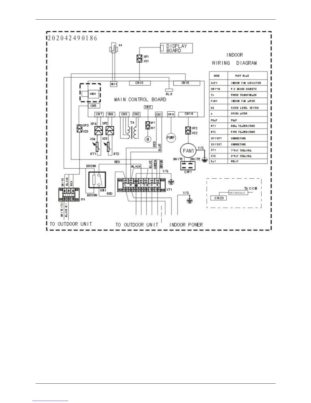
5. Wiring Diagram

Related product manuals