EasyManua.ls Logo

Midea MOU-12HN1

Midea MOU-12HN1
141 pages
To Next Page IconTo Next Page
To Next Page IconTo Next Page
To Previous Page IconTo Previous Page
To Previous Page IconTo Previous Page
Loading...
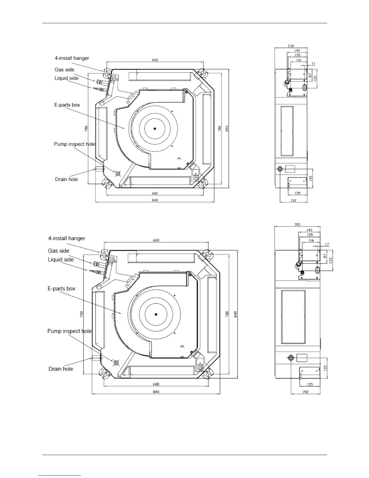
MCAC-UTSM-2008-11 Dimensions
Indoor Units 27
3. Dimensions
3.1 MCC-24HRN1
3.2 MCC-30HRN1 MCC-30HRN1-R MCC-36HRN1 MCC-36HRN1-R MCC-48HRN1-R

Related product manuals