EasyManua.ls Logo

Miller Electric SYNCROWAVE 250 - Page 46

Miller Electric SYNCROWAVE 250
84 pages
Print Icon
To Next Page IconTo Next Page
To Next Page IconTo Next Page
To Previous Page IconTo Previous Page
To Previous Page IconTo Previous Page
Loading...
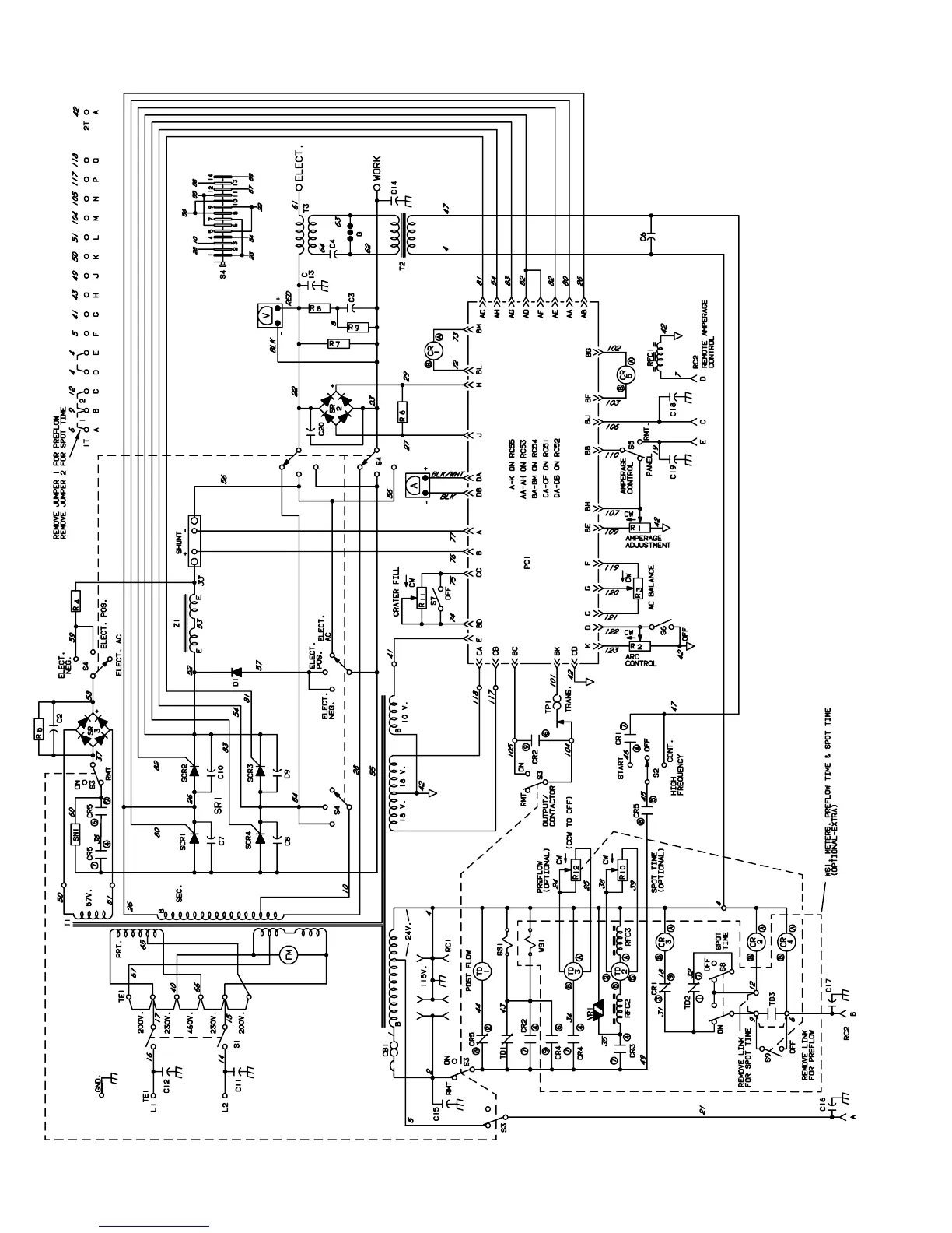
TM-353 Page 42 Syncrowave 250
SC-114 914
Figure 9-1. Circuit Diagram For Syncrowave 250 Effective With Serial No. JJ339876 Thru JJ351864

Table of Contents

Related product manuals