EasyManua.ls Logo

Miller Electric SYNCROWAVE 250 - Page 47

Miller Electric SYNCROWAVE 250
84 pages
Print Icon
To Next Page IconTo Next Page
To Next Page IconTo Next Page
To Previous Page IconTo Previous Page
To Previous Page IconTo Previous Page
Loading...
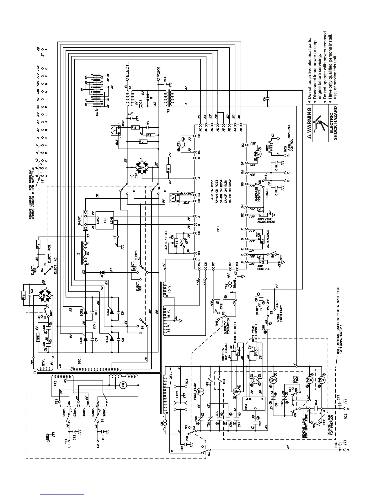
TM-353 Page 43Syncrowave 250
Figure 9-2. Circuit Diagram For Syncrowave 250 Effective With Serial No. JJ351865 Thru JJ365633
SC-120 877

Table of Contents

Related product manuals