EasyManua.ls Logo

Miller Electric SYNCROWAVE 250 - Page 48

Miller Electric SYNCROWAVE 250
84 pages
Print Icon
To Next Page IconTo Next Page
To Next Page IconTo Next Page
To Previous Page IconTo Previous Page
To Previous Page IconTo Previous Page
Loading...
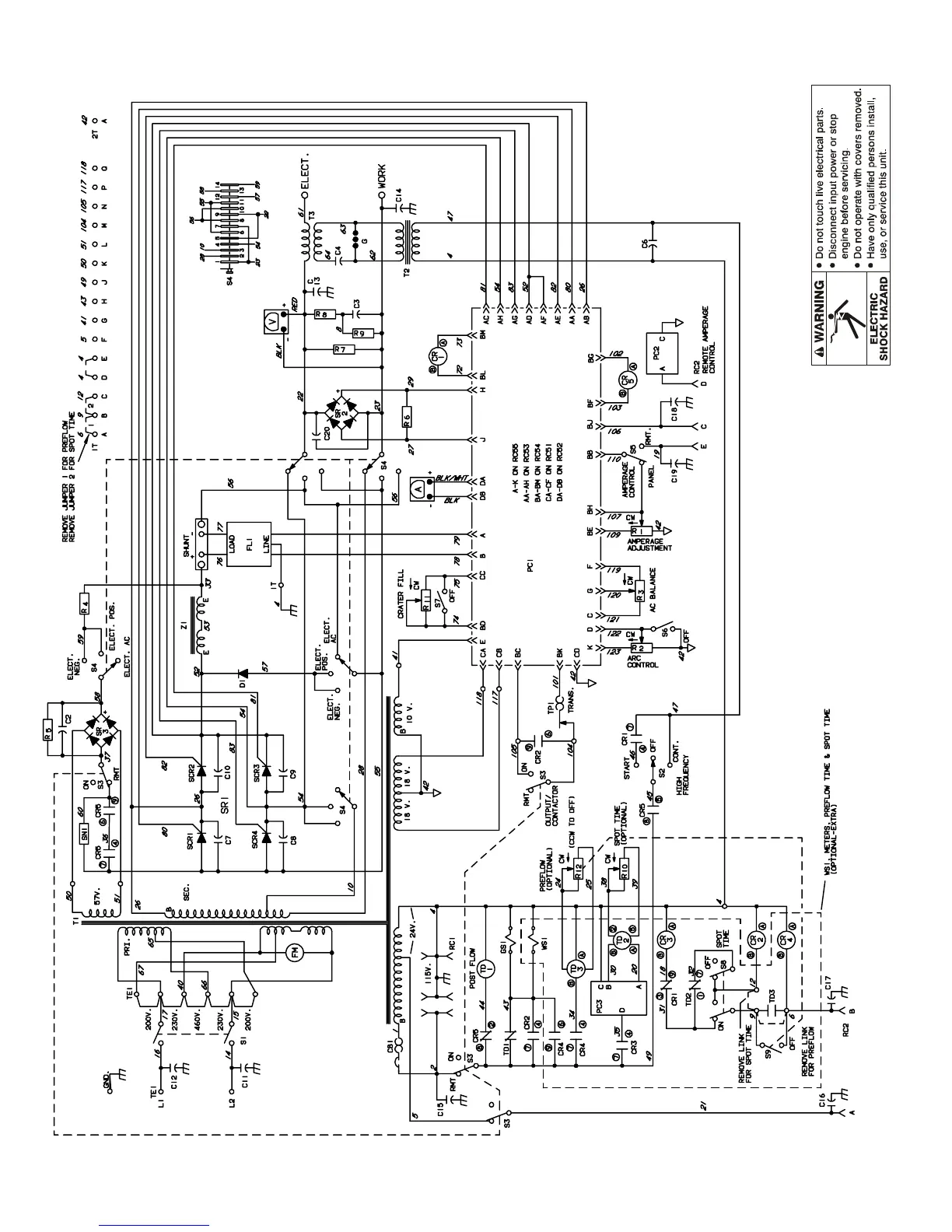
TM-353 Page 44 Syncrowave 250
SC-121 280
Figure 9-3. Circuit Diagram For Syncrowave 250 Effective With Serial No. JJ365634 Thru JJ503983

Table of Contents

Related product manuals