EasyManua.ls Logo

Miller Electric SYNCROWAVE 250 - Page 49

Miller Electric SYNCROWAVE 250
84 pages
Print Icon
To Next Page IconTo Next Page
To Next Page IconTo Next Page
To Previous Page IconTo Previous Page
To Previous Page IconTo Previous Page
Loading...
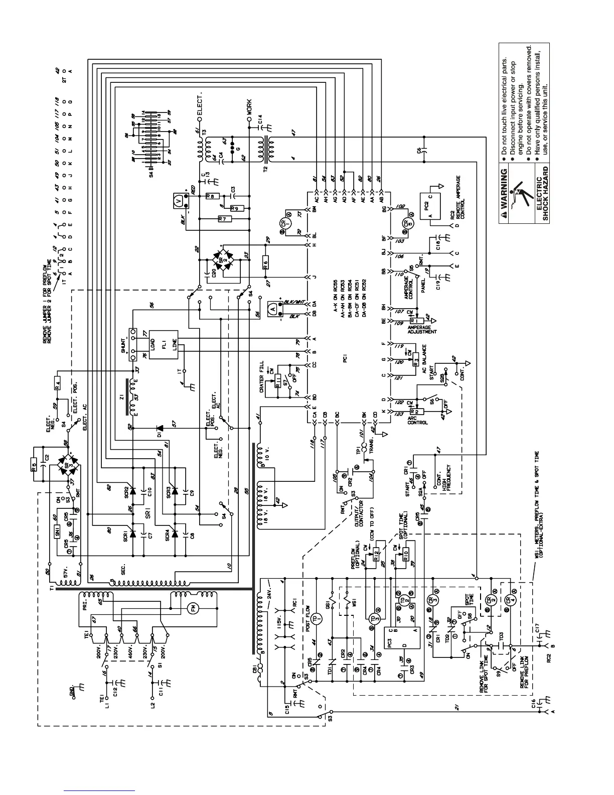
TM-353 Page 45Syncrowave 250
Figure 9-4. Circuit Diagram For Syncrowave 250 Effective With Serial No. JJ503984 Thru JK572897
SC-124 314

Table of Contents

Related product manuals