EasyManua.ls Logo

Miller S-64M - Section 14 − Electrical Diagram

Miller S-64M
52 pages
Print Icon
To Next Page IconTo Next Page
To Next Page IconTo Next Page
To Previous Page IconTo Previous Page
To Previous Page IconTo Previous Page
Loading...
OM-1585 Page 36
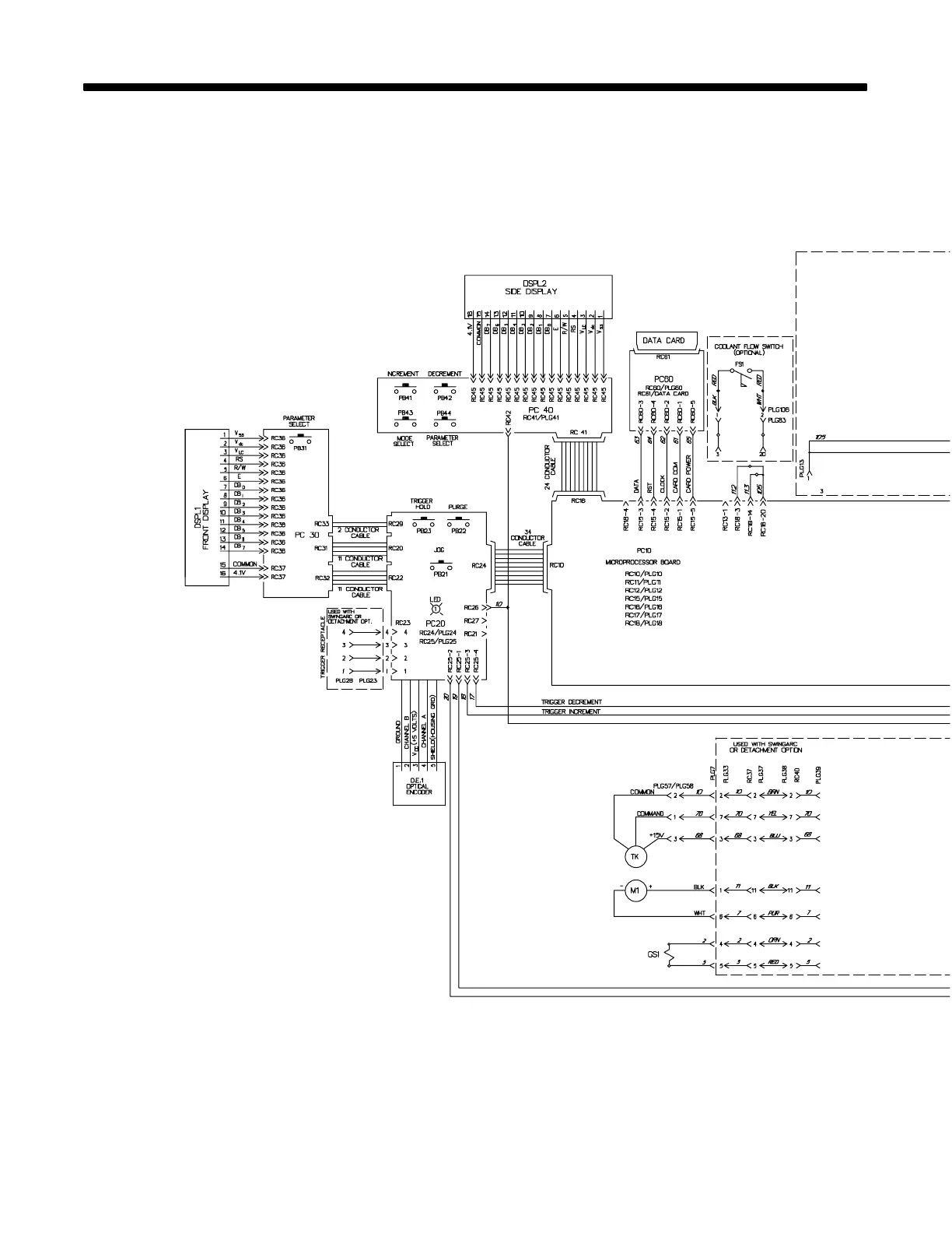
SECTION 14 − ELECTRICAL DIAGRAM
Figure 13-1. Circuit Diagram

Table of Contents

Related product manuals