EasyManua.ls Logo

Mitox 435 L - Component Location

Mitox 435 L
32 pages
Print Icon
To Next Page IconTo Next Page
To Next Page IconTo Next Page
To Previous Page IconTo Previous Page
To Previous Page IconTo Previous Page
Loading...
435 L/U Brushcutter
2
Original Instructions Version December 12
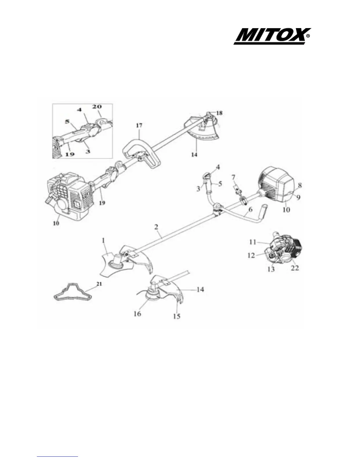
Component Location
PRODUCT DESCRIPTION
This Brushcutter is a 4 stroke fast running power tool and is designed to be used in a
domestic application for trimming grass and light brush.

Related product manuals