EasyManua.ls Logo

Mitsubishi FREQROL FR-A024-1.5K

Mitsubishi FREQROL FR-A024-1.5K
167 pages
To Next Page IconTo Next Page
To Next Page IconTo Next Page
To Previous Page IconTo Previous Page
To Previous Page IconTo Previous Page
Loading...
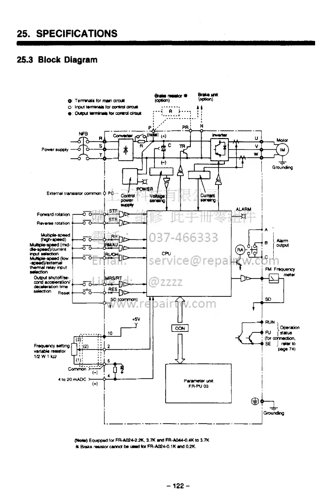
25.
SPECIFICATIONS
25.3
Block
Diagram
!
+5v
cw
-
K
T-
.
-
122
-

Related product manuals