EasyManua.ls Logo

Mitsubishi MR-J4-60A - Page 405

Mitsubishi MR-J4-60A
640 pages
Print Icon
To Next Page IconTo Next Page
To Next Page IconTo Next Page
To Previous Page IconTo Previous Page
To Previous Page IconTo Previous Page
Loading...
11. OPTIONS AND AUXILIARY EQUIPMENT
11 - 74
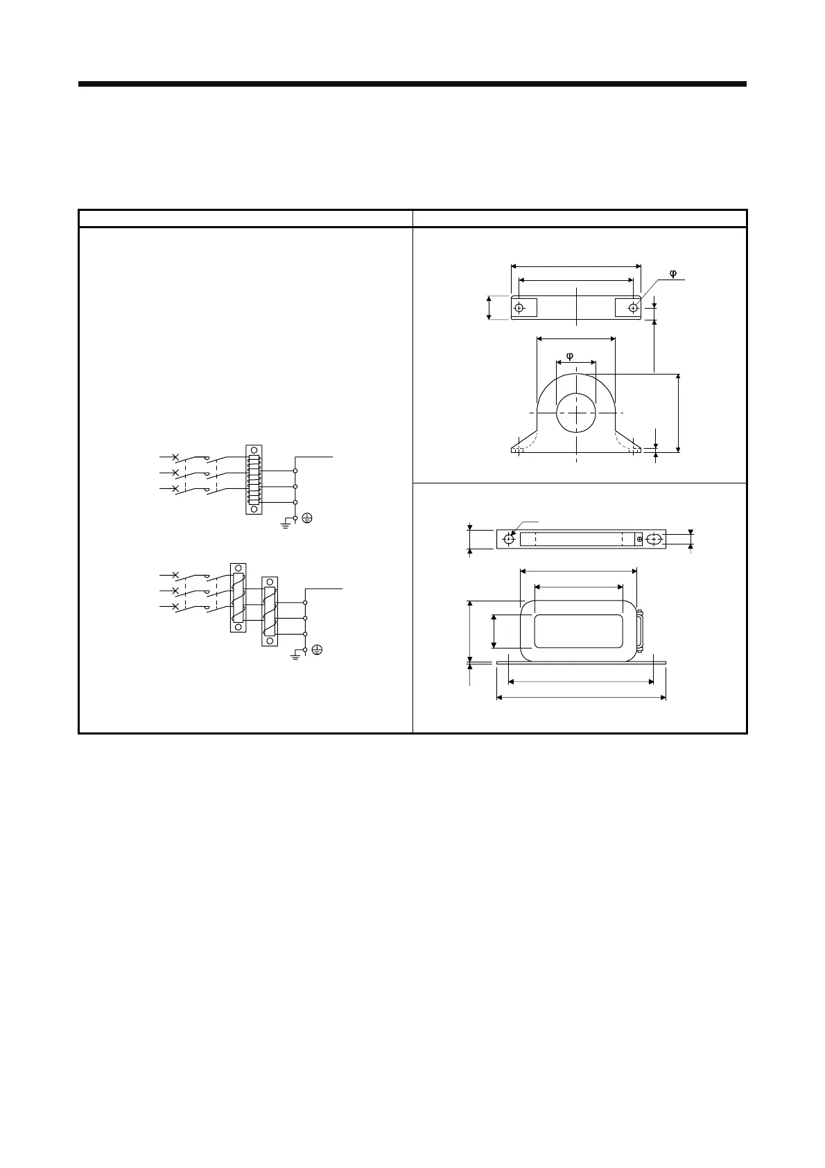
(d) Line noise filter (FR-BSF01/ FR-BLF)
This filter is effective in suppressing noises radiated from the power supply side and output side of
the servo amplifier and also in suppressing high-frequency leakage current (0-phase current). It
especially affects the noises between 0.5 MHz and 5 MHz band.
Connection diagram Dimensions [Unit: mm]
FR-BSF01 (for wire size 3.5 mm
2
(AWG 12) or less))
33
4.5
Approx. 110
95 ± 0.5
Approx. 22.5
Approx. 65
Approx. 65
52-
11.25 ± 0.5
Use the line noise filters for wires of the main power supply (L1,
L2, and L3) and of the servo motor power (U, V, and W). Pass
each of the wires through the line noise filter an equal number of
times in the same direction. For the main power supply, the effect
of the filter rises as the number of passes increases, but generally
four passes would be appropriate. For the servo motor power
lines, passes must be four times or less. Do not pass the
grounding wire through the filte. or the effect of the filter will drop.
Wind the wires by passing through the filter to satisfy the required
number of passes as shown in Example 1. If the wires are too
thick to wind, use two or more filters to have the required number
of passes as shown in Example 2.
Place the line noise filters as close to the servo amplifier as
possible for their best performance.
MCMCCB
Example 1
Power
supply
Power
supply
Servo amplifier
Line noise
filter
L1
L2
L3
(Number of passes: 4)
MCMCCB
Line noise
filter
Example 2
Servo amplifier
L1
L2
L3
Two filters are used
(Total number of passes: 4)
FR-BLF (for wire size 5.5 mm
2
(AWG 10) or more))
130
85
35
31.5
7
80
2.3
160
180
φ7

Table of Contents

Related product manuals