EasyManua.ls Logo

Mitsubishi MR-J4-60A - Page 55

Mitsubishi MR-J4-60A
640 pages
Print Icon
To Next Page IconTo Next Page
To Next Page IconTo Next Page
To Previous Page IconTo Previous Page
To Previous Page IconTo Previous Page
Loading...
1. FUNCTIONS AND CONFIGURATION
1 - 38
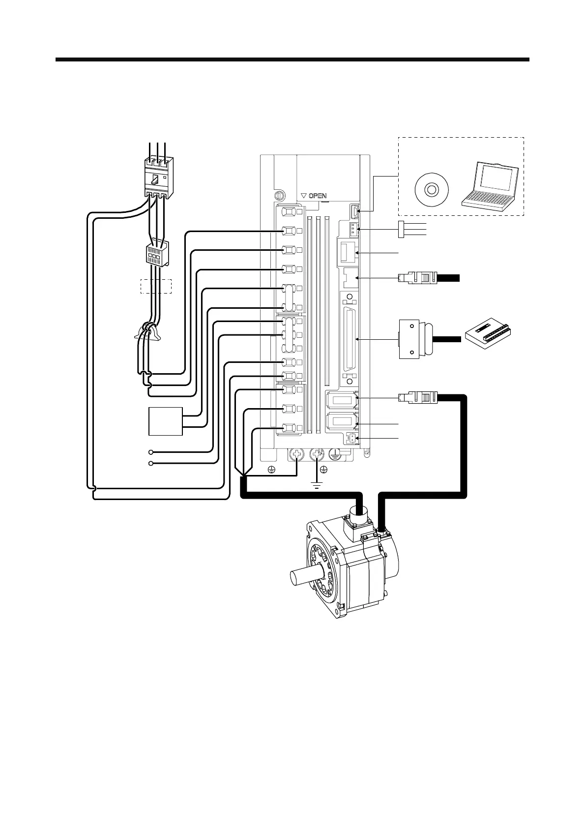
(2) 400 V class
(a) MR-J4-200A4(-RJ) or less
The diagram is for MR-J4-60A4-RJ and MR-J4-100A4-RJ.
Servo motor
CN4
Line noise filter
(FR-BSF01)
CN5
Regenerative
option
P+
C
L11
L21
P3
P4
Personal
computer
MR Configurator2
CN3
CN6
CN8
CN1
CN2
CN2L (Note 4)
W
V
U
(Note 3)
Magnetic
contactor
(MC)
L1
L2
L3
(Note 1)
Power factor
improving DC
reactor
(FR-HEL-H)
Molded-case
circuit breaker
(MCCB)
To safety relay or
MR-J3-D05 safety
logic unit
Analog monitor
Junction terminal block
(Note 2)
Power supply
Battery
Personal computer and others
RST
Note 1. The power factor improving AC reactor can also be used. In this case, the power factor improving DC reactor cannot be used.
When not using the power factor improving DC reactor, short P3 and P4.
2. Refer to section 1.3 for the power supply specification.
3. Depending on the main circuit voltage and operation pattern, bus voltage decreases, and that may cause the forced stop
deceleration to shift to the dynamic brake deceleration. When dynamic brake deceleration is not required, slow the time to turn
off the magnetic contactor.
4. This is for MR-J4-_A4-RJ servo amplifier. MR-J4-_A4 servo amplifier does not have CN2L connector. When using MR-J4-_A4-
RJ servo amplifier in the linear servo system or in the fully closed loop system, connect an external encoder to this connector.
Refer to Table 1.1 and "Linear Encoder Instruction Manual" for the compatible external encoders.

Table of Contents

Related product manuals