EasyManua.ls Logo

Mitsubishi PUMY-71VM - Page 86

Mitsubishi PUMY-71VM
136 pages
Print Icon
To Next Page IconTo Next Page
To Next Page IconTo Next Page
To Previous Page IconTo Previous Page
To Previous Page IconTo Previous Page
Loading...
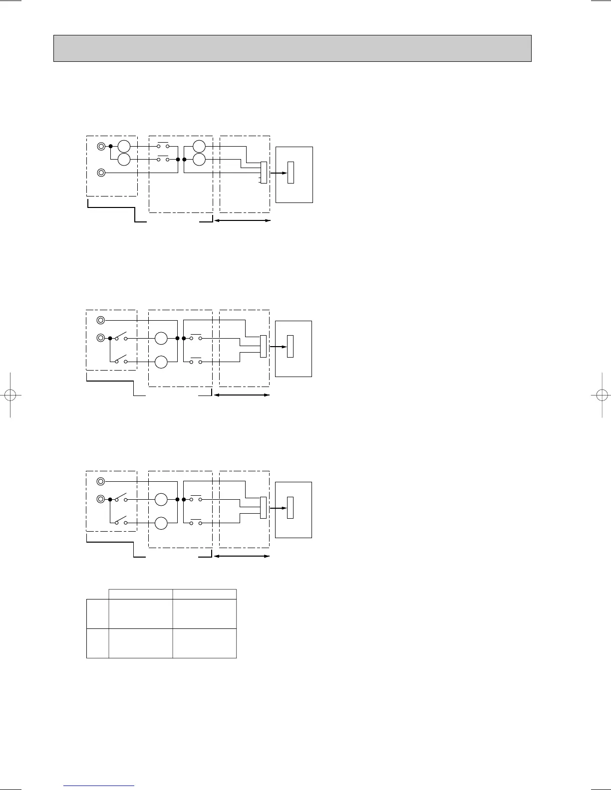
8-6. OUTDOOR UNIT INPUT/OUTPUT CONNECTOR
State (CN51)
Comp ON/OFF (CN3D)
Auto change over (CN3D) PUMY-125VMA PUMY-125VMA
1
CN51
X
5
4
3
Distant control
board
External output
adapter
Outdoor unit
control board
Relay circuit
Maximum cable
length is 10m
Lamp power
Y
X
Y
L
1
L2
L1 : Error display lamp
L
2 : Compressor operation lamp
X, Y : Relay (Coil standard of 0.9W or less for DC 12V)
Preparations
in the field
CN3D
X
Y
X
Y
SW1
SW2
1
2
3
Distant control
board
External output
adapter
Outdoor unit
control board
Relay circuit
Maximum cable
length is 10m
Relay power
X, Y : Relay (DC1mA)
Preparations
in the field
CN3D
X
Y
X
Y
SW1
SW2
1
2
3
Distant control
board
External output
adapter
Outdoor unit
control board
Relay circuit
Maximum cable
length is 10m
Relay power
X, Y : Relay (DC1mA)
Preparations
in the field
SW1
SW2
ON OFF
Heating
Validity of SW1
Cooling
Invalidity of SW1
SW1 : NIGHT MODE
SW2 : COMP ON/OFF
ON : NIGHT MODE
OFF : NORMAL
( )
ON : COMP OFF
OFF : NORMAL
( )
86
OC183E--3.qxp 10.5.6 3:05 PM Page 86

Related product manuals