EasyManua.ls Logo

molex MX150 - Page 41

molex MX150
62 pages
Print Icon
To Next Page IconTo Next Page
To Next Page IconTo Next Page
To Previous Page IconTo Previous Page
To Previous Page IconTo Previous Page
Loading...
APPLICATION SPECIFICATION
REVISION: ECR/ECN INFORMATION: SHEET No.
EC No:
ABC2001-9999
1
DATE:
2008/16/03
TITLE:
MX150 Application Guide
41 of 62
DOCUMENT NUMBER: CREATED / REVISED BY: CHECKED BY: APPROVED BY:
AS
-
33472
-
100
Brian Zelinski Steve Verzyl Scott Marceau
TEMPLATE FILENAME: APPLICATION_SPEC[SIZE_A](V.1).DOC
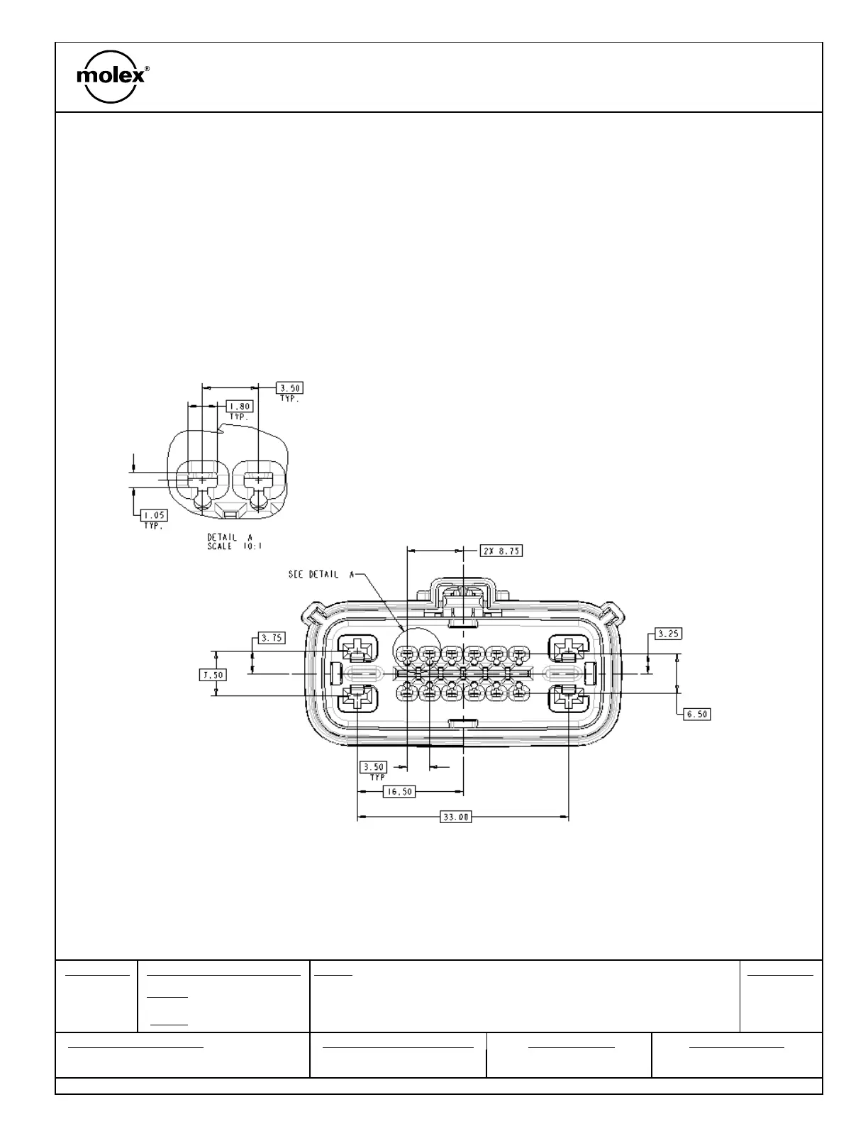
Section 6: Electrical Continuity Checking
MX150 16 WAY HYBRID RECEPTACLE
ALTERNATE PROBING