EasyManua.ls Logo

Monuments Edge Series - Page 11

Default Icon
Print Icon
To Next Page IconTo Next Page
To Next Page IconTo Next Page
To Previous Page IconTo Previous Page
To Previous Page IconTo Previous Page
Loading...
11
D
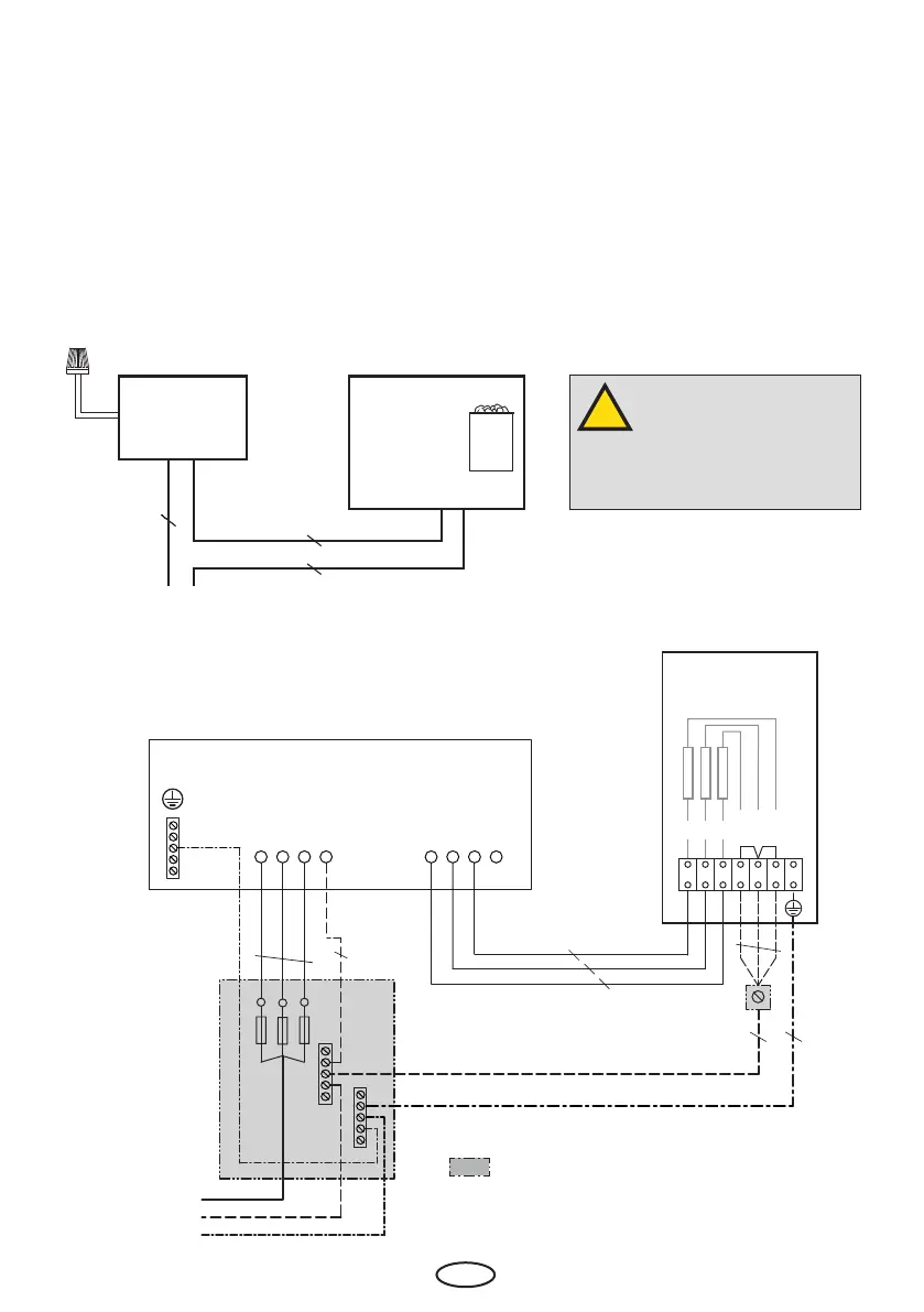
Das Saunaheizgerät kann alternativ auch über 230 V 1N AC angeschlossen werden.
Hierzu müssen bauseits die Vorgaben in dem nachfolgenden Anschlussbeispiel eingehal-
ten werden.
Da bei dieser Schaltung der N- und PE-Leiter mit dem Gesamtstrom belastet wird, darf
er nicht durch die Steuerung geschleift werden, sondern muss im entsprechenden Quer-
schnitt zum Netzanschluss geführt werden.
230 V AC
L1 L2 L3 N W V U N
Saunasteuergerät / Control unit /
Boîtier de commande / Пульт управления
PE (Gr)
L
N
45A
Saunaheizgerät / sauna heater
poêle de sauna / печь сауны
max. 9.0 kW
U V W
N N
PE
(Gr)
N
X Y Z
1,5²
2,5²
2,5²
1,5²
1,5²
Verteiler zum
1phasigen Anschluß
3 x16 A
optionales Zubehör, nicht im Lieferumfang enthalten
Anschlußbeispiel 230V 1N AC
Anschlussübersicht
Saunasteuergerät
Control unit
Boîtier de commande
Пульт управления
Saunaheizgerät
Sauna heater
Poêle de sauna
Печь для сауны
5
3
2 (N + PE/Gr)
Netz / Mains /
Réseau / Сеть
230V 1N AC
Anschlussschema
!
ACHTUNG!
Nulleiter N nicht über das
Steuergerät anschließen!