EasyManua.ls Logo

Monuments Edge Series - Anschlußbeispiel der Saunaanlage

Default Icon
Print Icon
To Next Page IconTo Next Page
To Next Page IconTo Next Page
To Previous Page IconTo Previous Page
To Previous Page IconTo Previous Page
Loading...
10
D
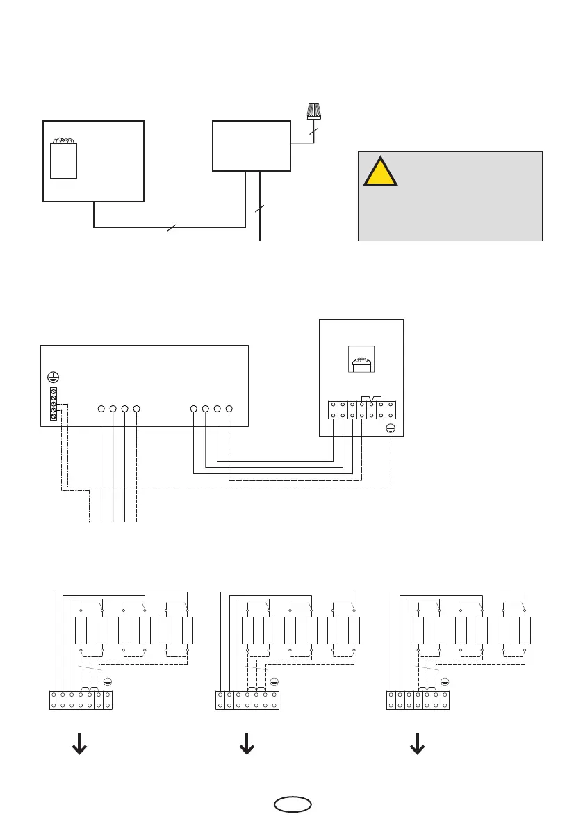
Anschlußbeispiel 400V 3N AC
!
ACHTUNG!
Immer Nulleiter N mit
anklemmen!
4
Saunasteuergerät
Control unit
Boîtier de commande
Пульт управления
Saunaheizgerät
Sauna heater
Poêle de sauna
Печь для сауны
5
5
Netz / Mains / Réseau / Сеть
Verdrahtungsschema
zum Steuergerät
400V 3N AC
zum Steuergerätzum Steuergerät
400 V AC 3N
L1 L2 L3 N W V U N
Saunasteuergerät / Control unit /
Boîtier de commande / Пульт управления
Saunaheizgerät / Sauna heater
U V W
N N
PE
N
X Y Z
Anschlussübersicht
Anschlussschema
3x Q-Ltg
U V W
N
PE
N N
X Y Z
6,0 kW
1000 W
1000 W
1000 W
1000 W
1000 W
1000 W
3x Q-Ltg
U V W
N
PE
N N
X Y Z
7,5 kW
1000 W
1500 W
1000 W
1500 W
1000 W
1500 W
3x Q-Ltg
U V W
N
PE
N N
X Y Z
9,0 kW
1500 W
1500 W
1500 W
1500 W
1500 W
1500 W