EasyManua.ls Logo

Monuments Edge Series - 230 V 1-Phase Connection Example; Single-Phase Connection Warning

Default Icon
Print Icon
To Next Page IconTo Next Page
To Next Page IconTo Next Page
To Previous Page IconTo Previous Page
To Previous Page IconTo Previous Page
Loading...
32
EN
230 V AC
L1 L2 L3 N W V U N
Saunasteuergerät / Control unit /
Boîtier de commande / Пульт управления
PE (Gr)
L
N
45A
Saunaheizgerät / sauna heater
poêle de sauna / печь сауны
max. 9.0 kW
U V W
N N
PE
(Gr)
N
X Y Z
1,5²
2,5²
2,5²
1,5²
1,5²
Distributor for
1-phase connection
Fuse 3x16 A
optional components, not included
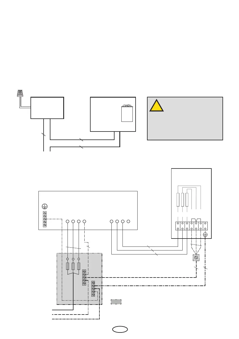
The sauna heater can be alternatively also operated on the 230 V 1N AC power supply.
For this purpose, the specications in the following connection example must be adhered to on site.
Since the N and Gr(Earth) conductor are loaded with the total current by such connection, the N line
from the heater must not be looped through the control unit, but must be routed in the corresponding
cross-section to the mains connection.
Connection example 230V 1N AC
Connection overview
Saunasteuergerät
Control unit
Boîtier de commande
Пульт управления
Saunaheizgerät
Sauna heater
Poêle de sauna
Печь для сауны
5
3
2 (N + PE/Gr)
Netz / Mains /
Réseau / Сеть
230V 1N AC
Connection scheme
!
Attention!
Do not connect the N line
from the heater through
the control unit!